奕帆工业
推广享折扣赚佣金
首页
全部商品
常见问题
注册/登录
主页
顶部
推广
咨询
202512011-24-减速器
发布时间:2025-12-13 06:48
预览信息
详细说明
202512011-24-减速器 说明书+装配图+2个零件
文件列表
#
名称
状态
操作
1
PDF预览文件
可下载
PDF文件1
2
1.docx
已完成并打包
请下载最下面的压缩包
3
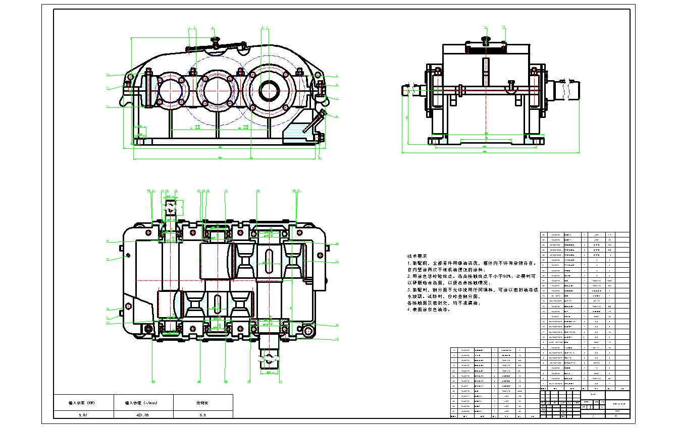
二级圆柱齿轮减速器.DWG
已完成并打包
请下载最下面的压缩包
4
二级大齿轮.DWG
已完成并打包
请下载最下面的压缩包
5
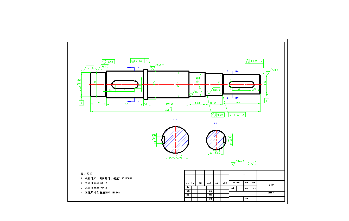
输出轴.DWG
已完成并打包
请下载最下面的压缩包
所有文件
可下载
输入提取码
或支付(30.0元)
购买
外部工具
在线DWG(CAD文件)转PDF工具