奕帆工业
推广享折扣赚佣金
首页
全部商品
常见问题
注册/登录
主页
顶部
推广
咨询
新建文本文档
发布时间:2025-12-16 13:50
预览信息
详细说明
说+装+2零件没有数据 研究现状目的意义都要突出写的是清洁车的
文件列表
#
名称
状态
操作
1
PDF预览文件
可下载
PDF文件1
2
万向传动轴-十字轴式 (1).docx
已完成并打包
请下载最下面的压缩包
3
万向传动轴-十字轴式.DWG
已完成并打包
请下载最下面的压缩包
4
传动轴.DWG
已完成并打包
请下载最下面的压缩包
5
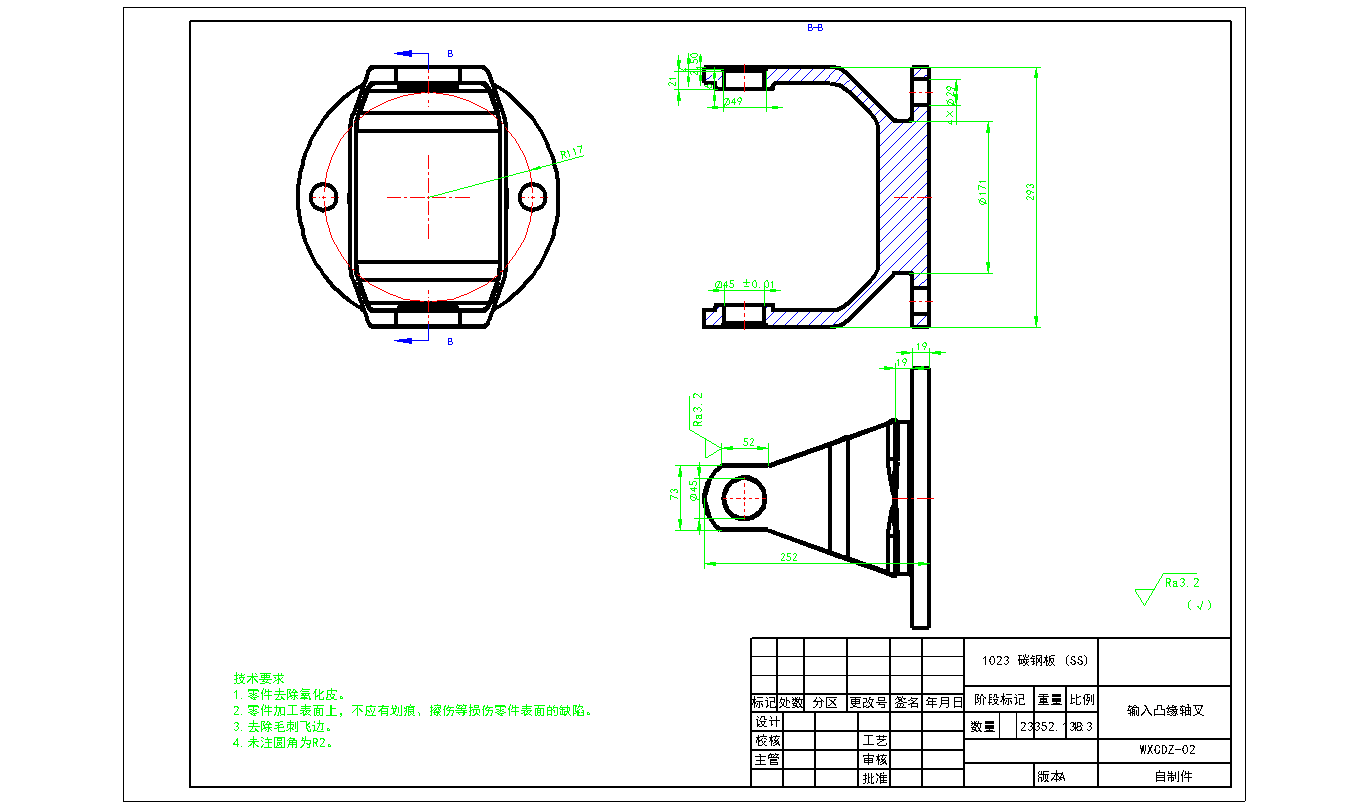
输入凸缘轴叉.DWG
已完成并打包
请下载最下面的压缩包
所有文件
可下载
输入提取码
或支付(30.0元)
购买
外部工具
在线DWG(CAD文件)转PDF工具