奕帆工业
推广享折扣赚佣金
首页
全部商品
常见问题
注册/登录
主页
顶部
推广
咨询
20240729-07-蹄式制动器
发布时间:2024-07-30 09:37
预览信息
详细说明
20240729-07-前轮 领从蹄式制动器 说+装+2零件
文件列表
#
名称
状态
操作
1
PDF预览文件
可下载
PDF文件1
2
制动底板.dwg
已完成并打包
请下载最下面的压缩包
3
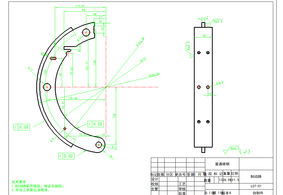
制动蹄.dwg
已完成并打包
请下载最下面的压缩包
4
宣传(1).jpg
已完成并打包
请下载最下面的压缩包
5
领从蹄鼓式制动器.docx
已完成并打包
请下载最下面的压缩包
6
领从蹄鼓式制动器.dwg
已完成并打包
请下载最下面的压缩包
所有文件
可下载
输入提取码
或支付(30.0元)
购买
外部工具
在线DWG(CAD文件)转PDF工具