奕帆工业
推广享折扣赚佣金
首页
全部商品
常见问题
注册/登录
主页
顶部
推广
咨询
20251215-33-改数据
发布时间:2025-12-15 15:07
预览信息
详细说明
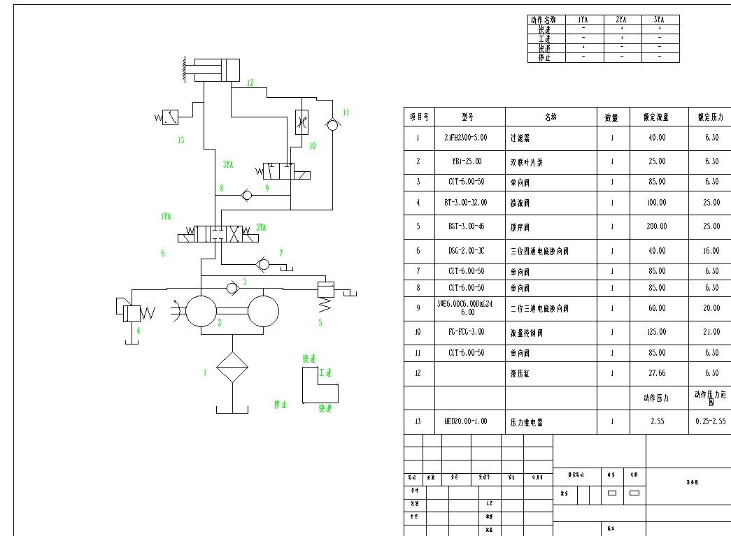
20251215-33-改数据 这道题的题目九为准 源文件是这个 20251205-27-液压付清 按照原来要求,数据换了
文件列表
#
名称
状态
操作
1
PDF预览文件
可下载
PDF文件1
2
原理图.DWG
已完成并打包
请下载最下面的压缩包
3
液压缸装配图.DWG
已完成并打包
请下载最下面的压缩包
4
液压设计 (1).docx
已完成并打包
请下载最下面的压缩包
所有文件
可下载
输入提取码
或支付(30.0元)
购买
外部工具
在线DWG(CAD文件)转PDF工具