奕帆工业
推广享折扣赚佣金
首页
全部商品
常见问题
注册/登录
主页
顶部
推广
咨询
20251221-05-液压
发布时间:2025-12-22 08:11
预览信息
详细说明
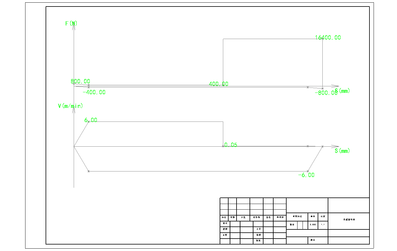
20251221-05-液压 液压:说+装+ 原理+工况+负载图
文件列表
#
名称
状态
操作
1
PDF预览文件
可下载
PDF文件1
2
1.docx
已完成并打包
请下载最下面的压缩包
3
原理图.DWG
已完成并打包
请下载最下面的压缩包
4
工况图.DWG
已完成并打包
请下载最下面的压缩包
5
液压缸装配图.DWG
已完成并打包
请下载最下面的压缩包
6
负载循环图.DWG
已完成并打包
请下载最下面的压缩包
所有文件
可下载
输入提取码
或支付(30.0元)
购买
外部工具
在线DWG(CAD文件)转PDF工具