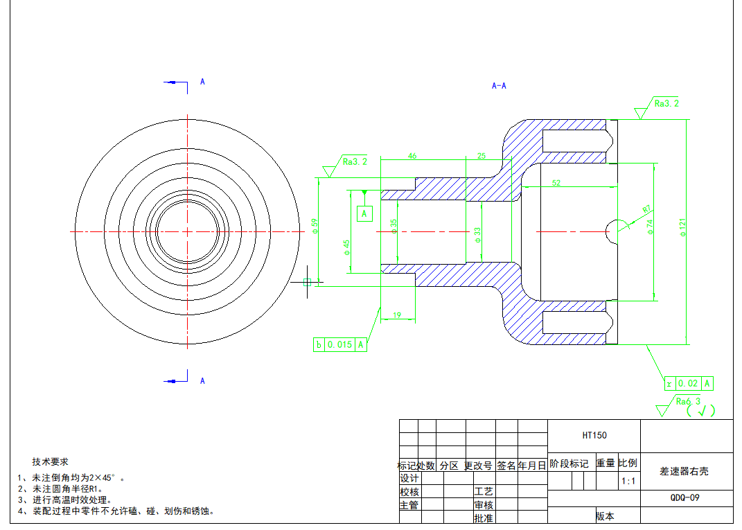
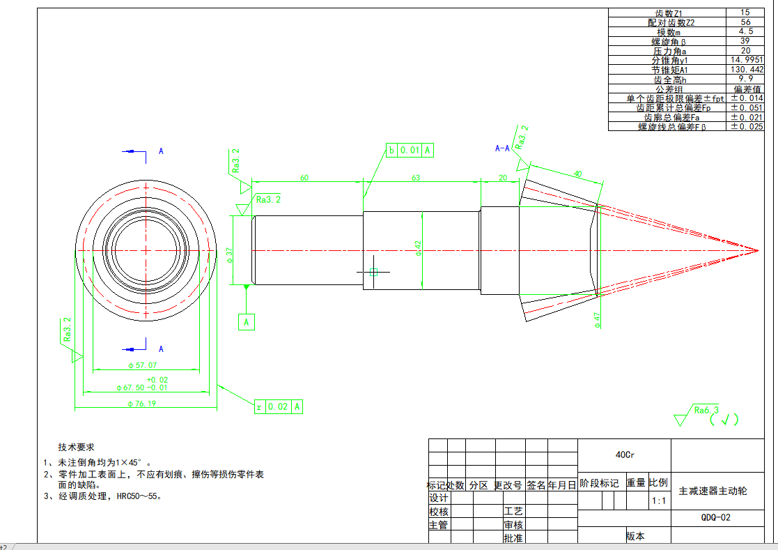
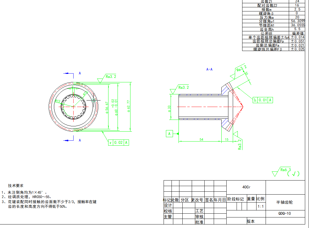
20251220-04-驱动桥驱动桥 断开式驱动桥 说明书+装配图+6个零件轴承端盖 半轴 主减速器主动齿轮 主减速器从动齿轮 差速器右壳 半轴齿轮 零件图尽量1:1不用算小比例 整备质量:1.28t 最大满载质量:1.72t 长宽高:4652mm×1815mm×1450mm 发动机型号:HR16 发动机最大功率:99kw 发动机排量:1.6L 发动机最大扭矩:159N·m 最大扭矩转速:4000rpm 最高车速:186km/h 前轮胎规格:205/60 R16 后轮胎规格:205/60 R16 轴距:2712mm 前轮距:1580mm 后轮距:1594mm
| # | 名称 | 状态 | 操作 |
|---|---|---|---|
| 1 | PDF预览文件 | 可下载 | PDF文件1 |
| 2 | A0驱动桥.DWG | 已完成并打包 | 请下载最下面的压缩包 |
| 3 | A2主减速器从动轮.DWG | 已完成并打包 | 请下载最下面的压缩包 |
| 4 | A2半轴.DWG | 已完成并打包 | 请下载最下面的压缩包 |
| 5 | A3主减速器主动轮.DWG | 已完成并打包 | 请下载最下面的压缩包 |
| 6 | A3半轴齿轮.DWG | 已完成并打包 | 请下载最下面的压缩包 |
| 7 | A3差速器右壳.DWG | 已完成并打包 | 请下载最下面的压缩包 |
| 8 | A3轴承端盖.DWG | 已完成并打包 | 请下载最下面的压缩包 |
| 9 | 断开式驱动桥 (1).docx | 已完成并打包 | 请下载最下面的压缩包 |
| 所有文件 | 可下载 | ||
| 外部工具 | 在线DWG(CAD文件)转PDF工具 |