20251218-09-主轴箱(2份) 主轴箱:说明书+展开图+剖视图+2零件图 2份都要 2-3-2方案 两个设计的结构不要一样哈
| # | 名称 | 状态 | 操作 |
|---|---|---|---|
| 1 | PDF预览文件 | 可下载 | PDF文件1 |
| 2 | PDF预览文件 | 可下载 | PDF文件2 |
| 3 | 11.docx | 已完成并打包 | 请下载最下面的压缩包 |
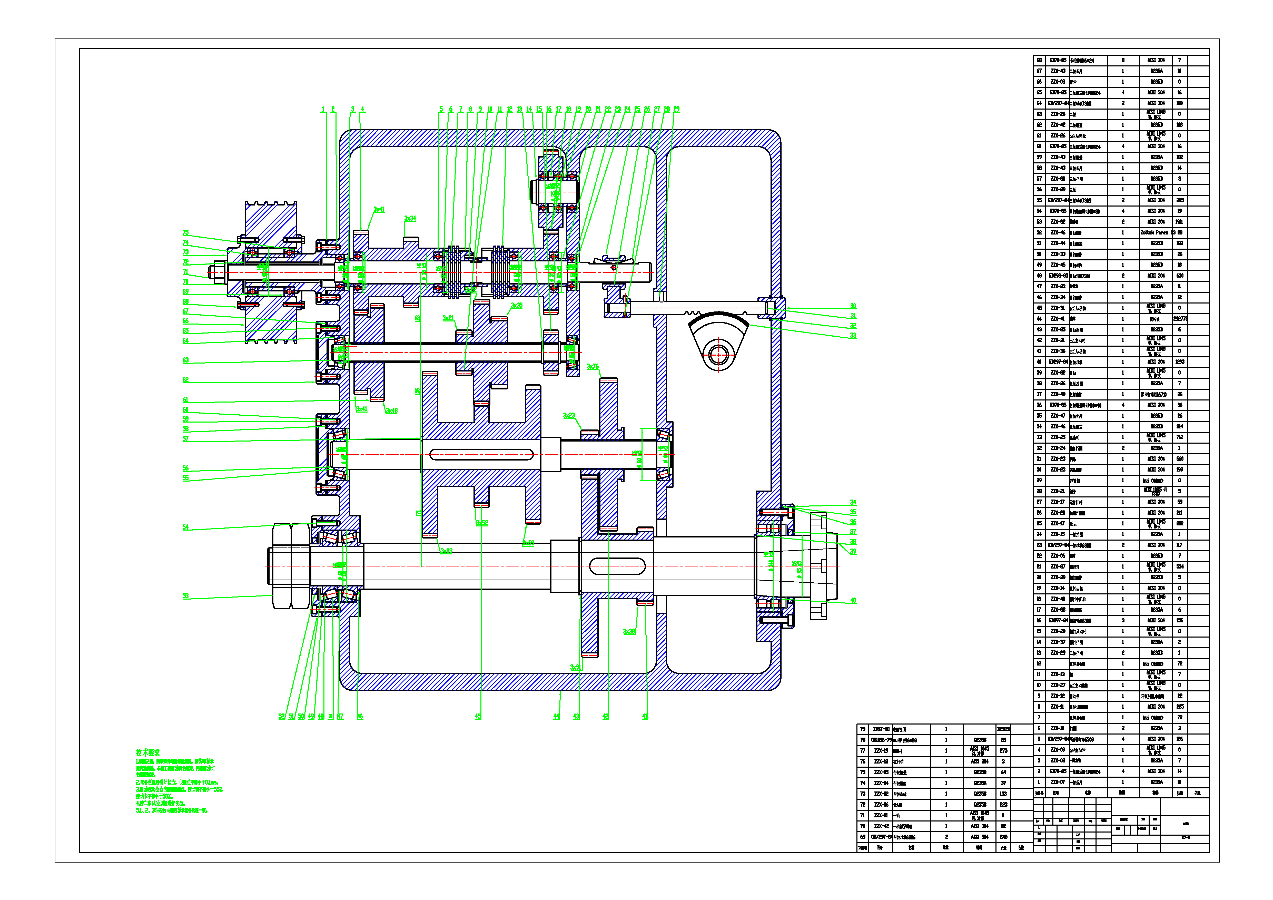
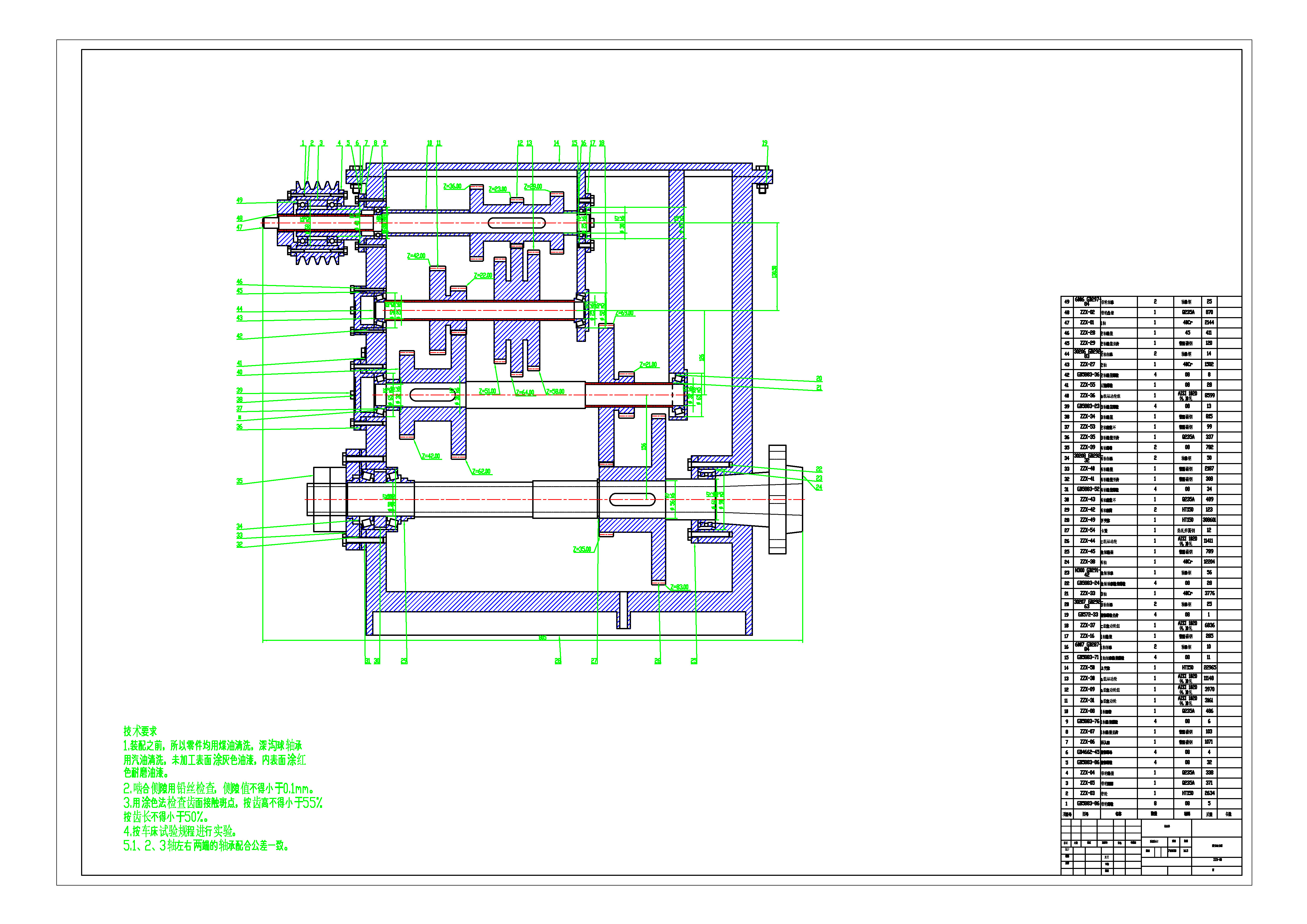
| 4 | 12级主轴箱.DWG | 已完成并打包 | 请下载最下面的压缩包 |
| 5 | 12级主轴箱.pdf | 已完成并打包 | 请下载最下面的压缩包 |
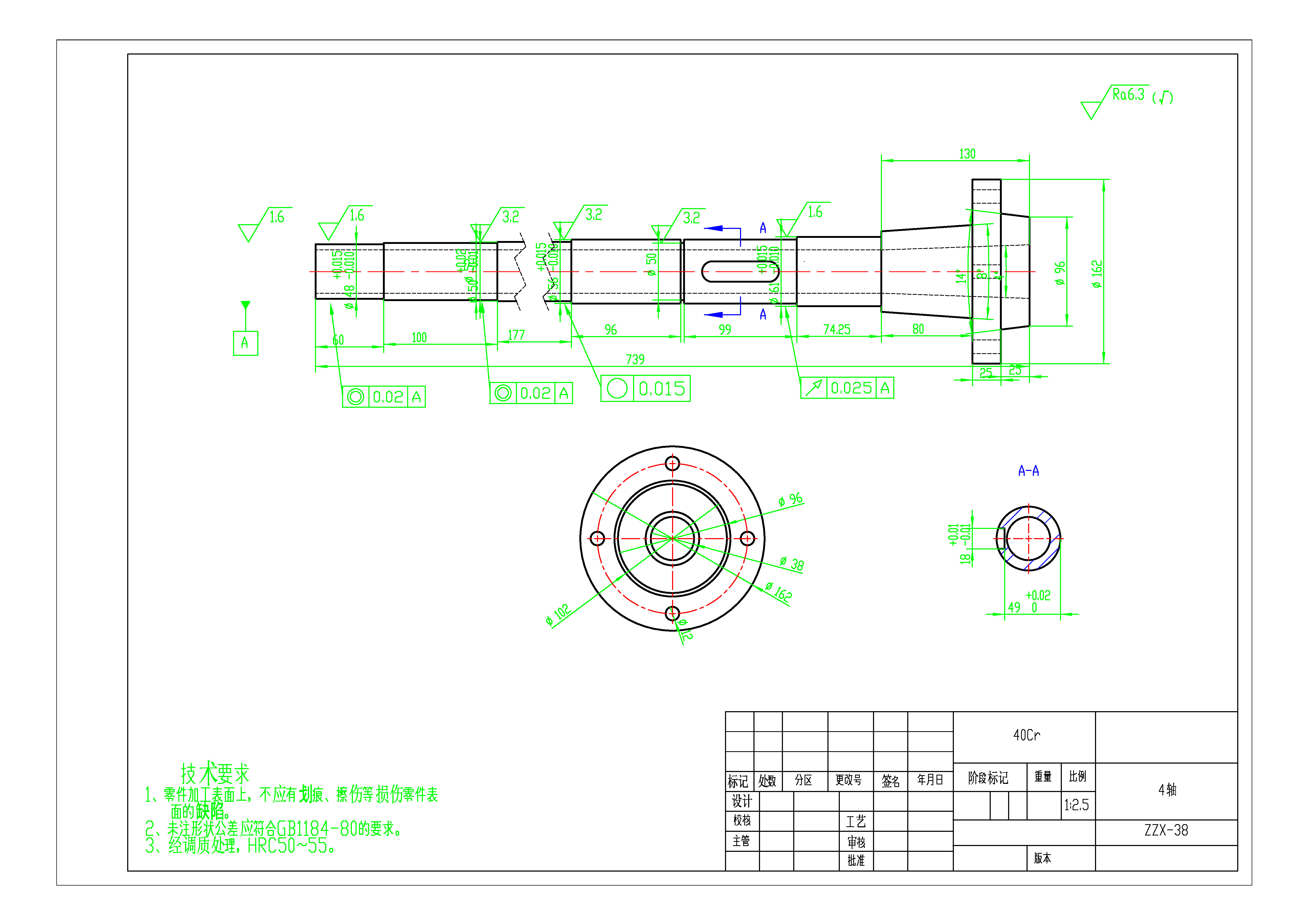
| 6 | 4轴.DWG | 已完成并打包 | 请下载最下面的压缩包 |
| 7 | 4轴.pdf | 已完成并打包 | 请下载最下面的压缩包 |
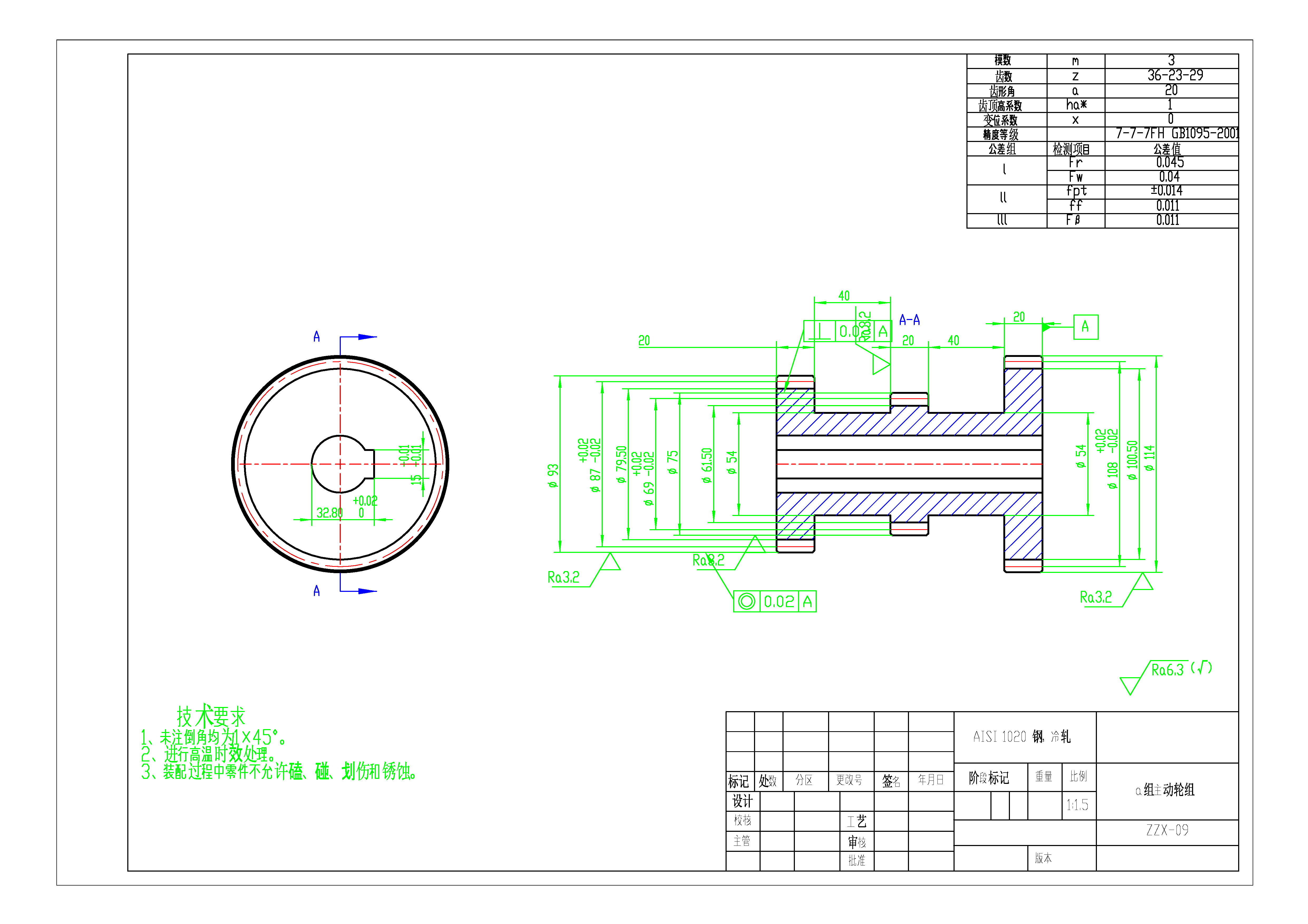
| 8 | a组主动轮组.DWG | 已完成并打包 | 请下载最下面的压缩包 |
| 9 | a组主动轮组.pdf | 已完成并打包 | 请下载最下面的压缩包 |
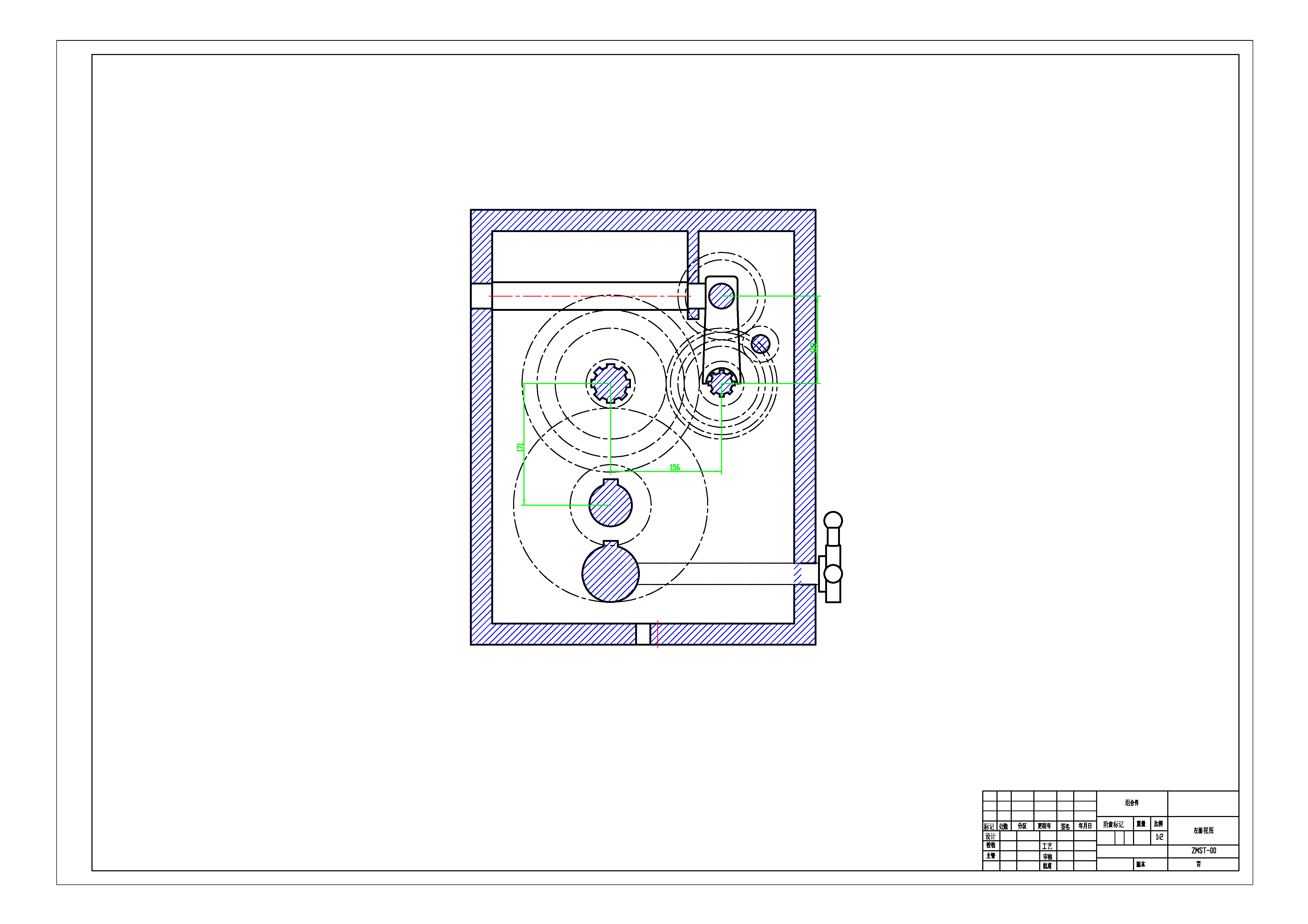
| 10 | 左面视图.DWG | 已完成并打包 | 请下载最下面的压缩包 |
| 11 | 左面视图.pdf | 已完成并打包 | 请下载最下面的压缩包 |
| 12 | 12级主轴箱232离合器.DWG | 已完成并打包 | 请下载最下面的压缩包 |
| 13 | 12级主轴箱232离合器.pdf | 已完成并打包 | 请下载最下面的压缩包 |
| 14 | 21.docx | 已完成并打包 | 请下载最下面的压缩包 |
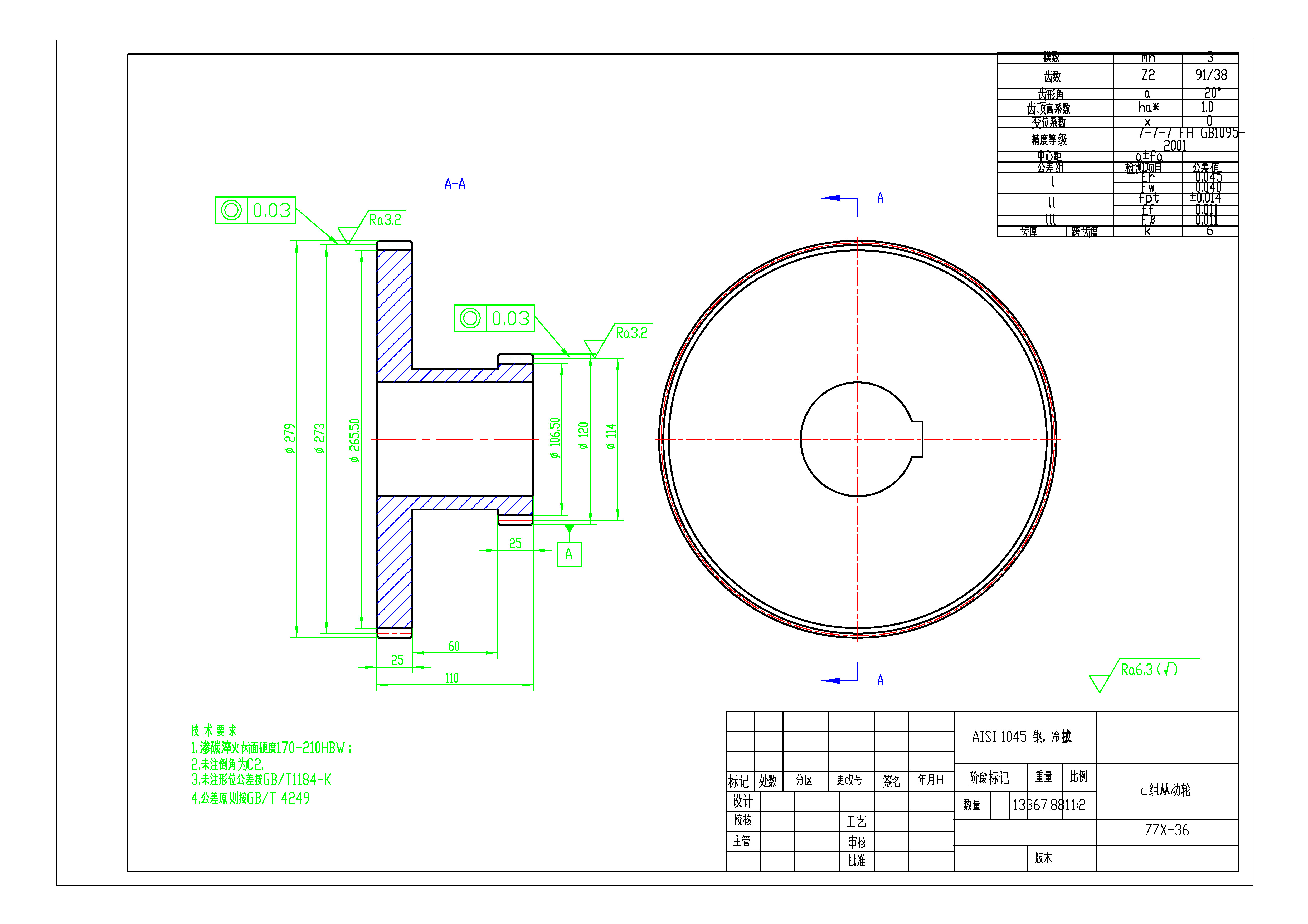
| 15 | c组从动轮.DWG | 已完成并打包 | 请下载最下面的压缩包 |
| 16 | c组从动轮.pdf | 已完成并打包 | 请下载最下面的压缩包 |
| 17 | 四轴.DWG | 已完成并打包 | 请下载最下面的压缩包 |
| 18 | 四轴.pdf | 已完成并打包 | 请下载最下面的压缩包 |
| 19 | 左面视图.DWG | 已完成并打包 | 请下载最下面的压缩包 |
| 20 | 左面视图.pdf | 已完成并打包 | 请下载最下面的压缩包 |
| 所有文件 | 可下载 | ||
| 外部工具 | 在线DWG(CAD文件)转PDF工具 |