奕帆工业
推广享折扣赚佣金
首页
全部商品
常见问题
注册/登录
主页
顶部
推广
咨询
新建文本文档
发布时间:2025-12-16 08:38
预览信息
详细说明
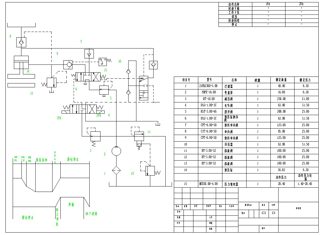
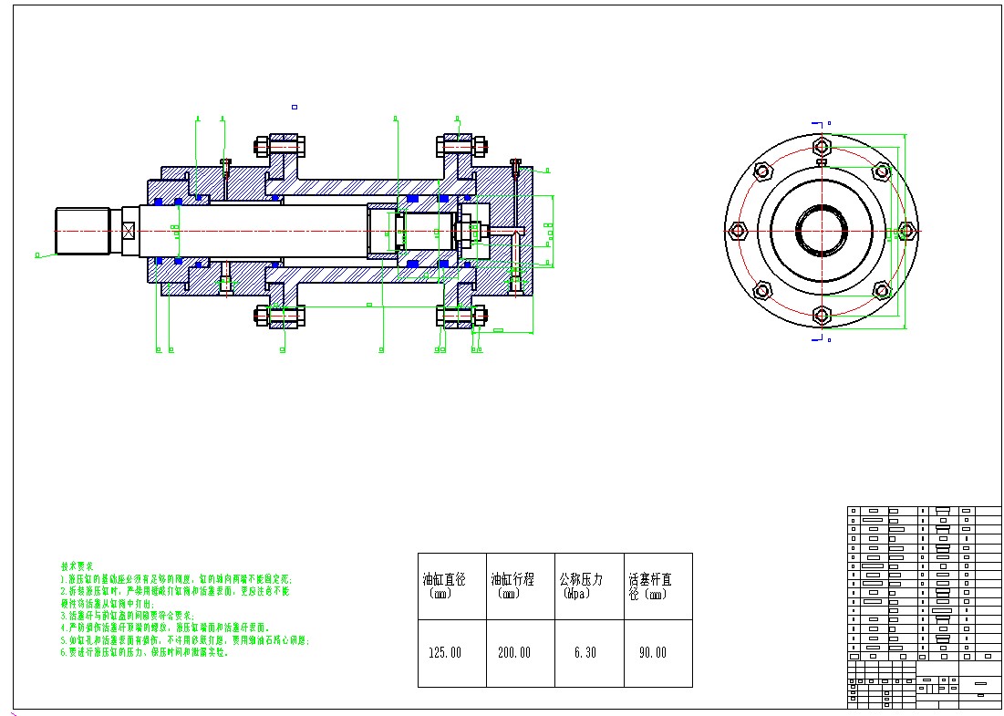
课题是4-1组的数据 工况图+原理图+总装配图(液压缸)+设计计算说明书
文件列表
#
名称
状态
操作
1
PDF预览文件
可下载
PDF文件1
2
原理图.DWG
已完成并打包
请下载最下面的压缩包
3
工况图.DWG
已完成并打包
请下载最下面的压缩包
4
液压缸装配图.DWG
已完成并打包
请下载最下面的压缩包
5
液压设计 (1).docx
已完成并打包
请下载最下面的压缩包
所有文件
可下载
输入提取码
或支付(30.0元)
购买
外部工具
在线DWG(CAD文件)转PDF工具