20251211-28-减速器 说明书+装配图+2个零件 +三维 二级圆柱齿轮减速器
| # | 名称 | 状态 | 操作 |
|---|---|---|---|
| 1 | PDF预览文件 | 可下载 | PDF文件1 |
| 2 | 1.docx | 已完成并打包 | 请下载最下面的压缩包 |
| 3 | all3D.zip | 已完成并打包 | 请下载最下面的压缩包 |
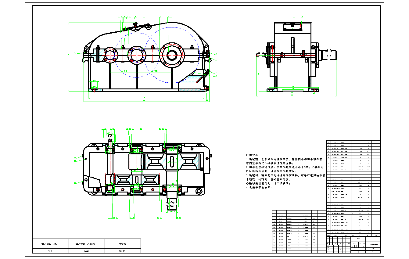
| 4 | 二级圆柱齿轮减速器.DWG | 已完成并打包 | 请下载最下面的压缩包 |
| 5 | 二级大齿轮.DWG | 已完成并打包 | 请下载最下面的压缩包 |
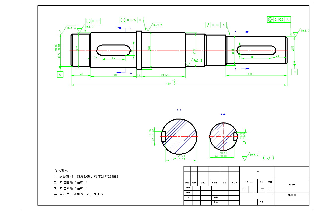
| 6 | 输出轴.DWG | 已完成并打包 | 请下载最下面的压缩包 |
| 所有文件 | 可下载 | ||
| 外部工具 | 在线DWG(CAD文件)转PDF工具 |