202512010-50-液压 液压:说+装+原理+工况+负载图 救援机械狗腿液压系统设计这个课题
| # | 名称 | 状态 | 操作 |
|---|---|---|---|
| 1 | PDF预览文件 | 可下载 | PDF文件1 |
| 2 | 11.docx | 已完成并打包 | 请下载最下面的压缩包 |
| 3 | 原理图.DWG | 已完成并打包 | 请下载最下面的压缩包 |
| 4 | 原理图.pdf | 已完成并打包 | 请下载最下面的压缩包 |
| 5 | 工况图.DWG | 已完成并打包 | 请下载最下面的压缩包 |
| 6 | 工况图.pdf | 已完成并打包 | 请下载最下面的压缩包 |
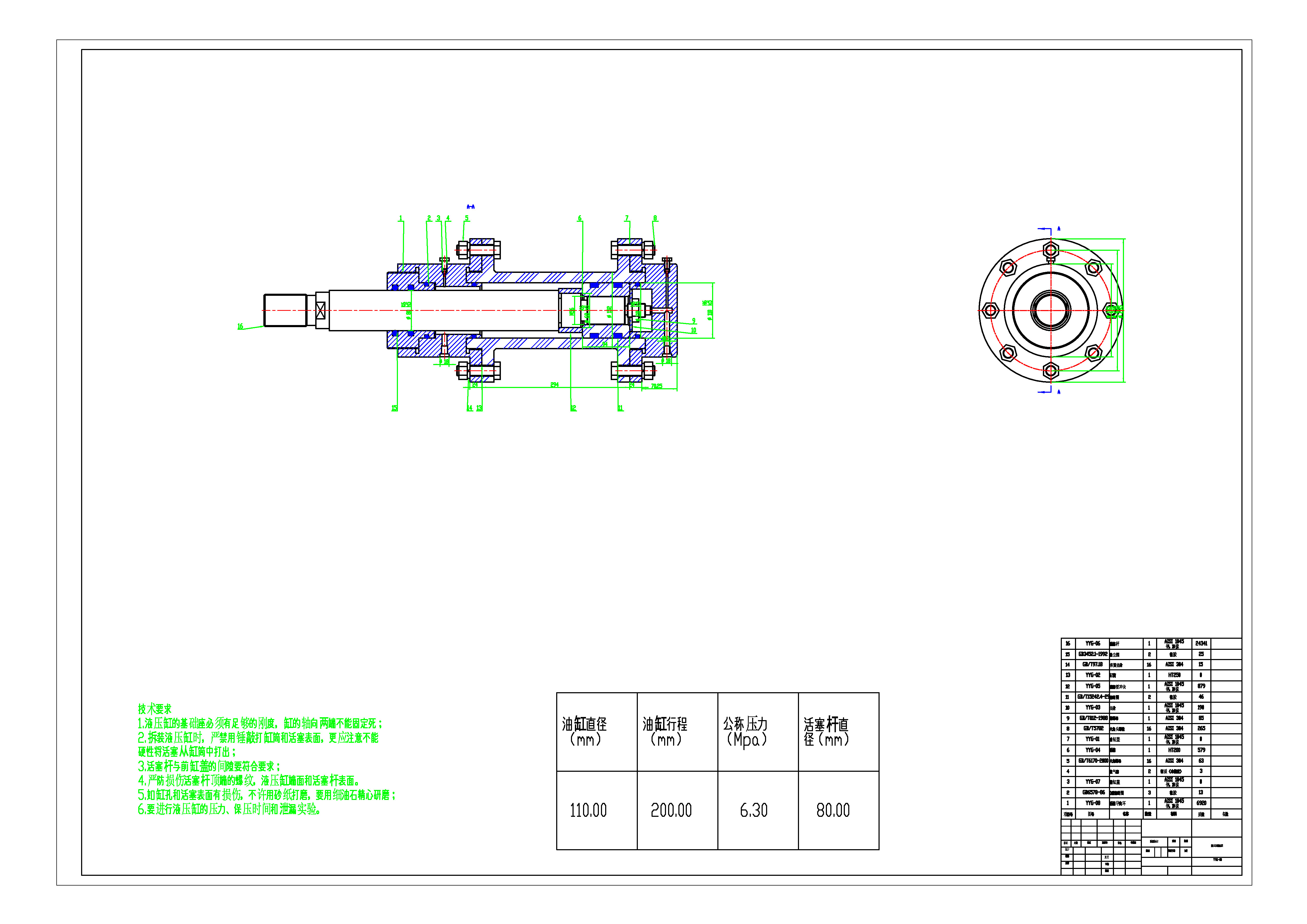
| 7 | 液压缸装配图.DWG | 已完成并打包 | 请下载最下面的压缩包 |
| 8 | 液压缸装配图.pdf | 已完成并打包 | 请下载最下面的压缩包 |
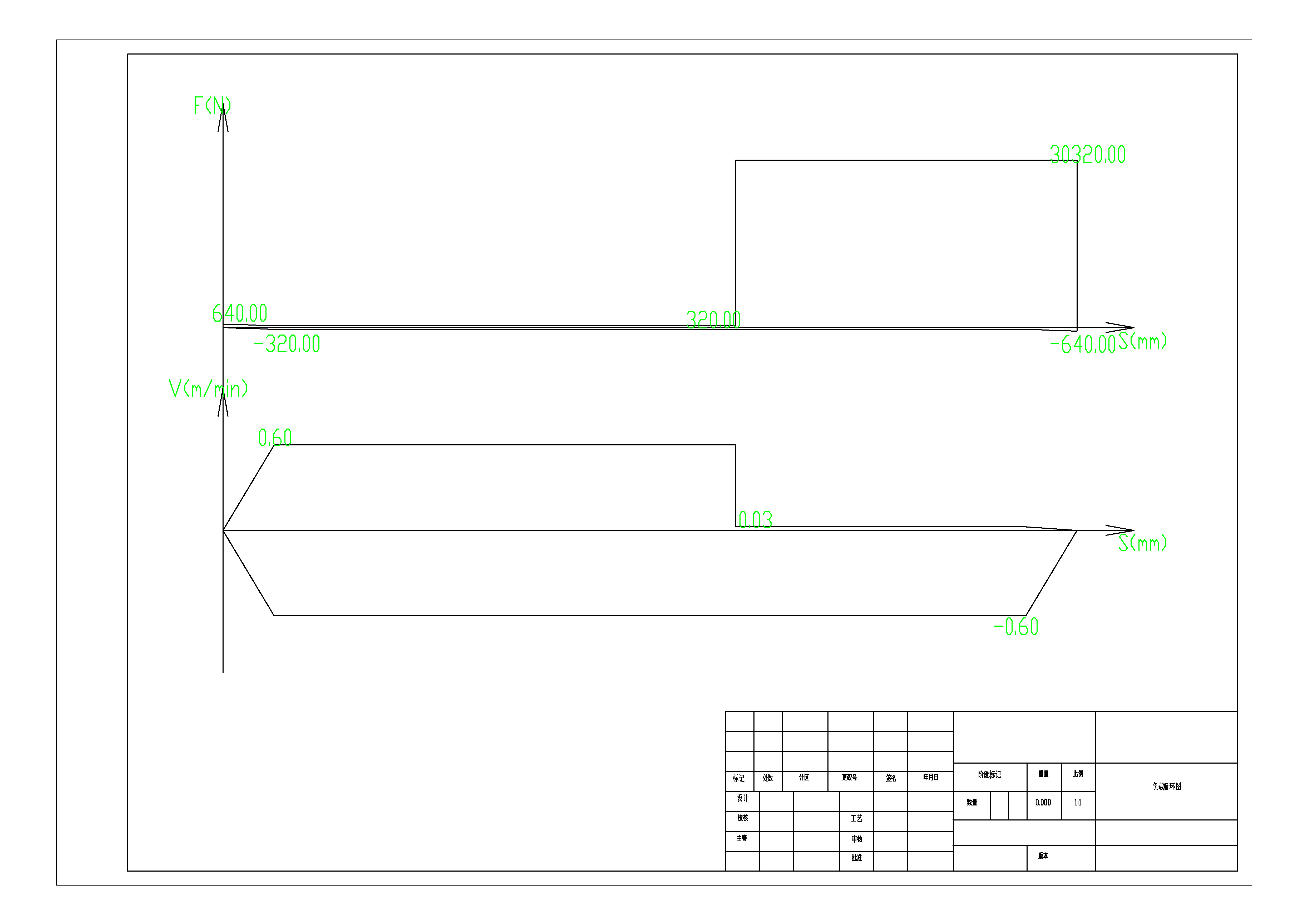
| 9 | 负载循环图.DWG | 已完成并打包 | 请下载最下面的压缩包 |
| 10 | 负载循环图.pdf | 已完成并打包 | 请下载最下面的压缩包 |
| 11 | 原理图.DWG | 已完成并打包 | 请下载最下面的压缩包 |
| 12 | 工况图.DWG | 已完成并打包 | 请下载最下面的压缩包 |
| 13 | 液压缸装配图.DWG | 已完成并打包 | 请下载最下面的压缩包 |
| 14 | 液压设计 (1).docx | 已完成并打包 | 请下载最下面的压缩包 |
| 所有文件 | 可下载 | ||
| 外部工具 | 在线DWG(CAD文件)转PDF工具 |