总体设计 只要说明书 其他4份要说明书+装配图+2零件+3维
| # | 名称 | 状态 | 操作 |
|---|---|---|---|
| 1 | PDF预览文件 | 可下载 | PDF文件1 |
| 2 | PDF预览文件 | 可下载 | PDF文件2 |
| 3 | PDF预览文件 | 可下载 | PDF文件3 |
| 4 | PDF预览文件 | 可下载 | PDF文件4 |
| 5 | PDF预览文件 | 可下载 | PDF文件5 |
| 6 | 货车总体设计 (1).docx | 已完成并打包 | 请下载最下面的压缩包 |
| 7 | 制动块.DWG | 已完成并打包 | 请下载最下面的压缩包 |
| 8 | 制动盘.DWG | 已完成并打包 | 请下载最下面的压缩包 |
| 9 | 盘式制动器 (1).docx | 已完成并打包 | 请下载最下面的压缩包 |
| 10 | 通风盘滑动钳盘式制动器.DWG | 已完成并打包 | 请下载最下面的压缩包 |
| 11 | 压盘.DWG | 已完成并打包 | 请下载最下面的压缩包 |
| 12 | 拉式单片离合器.DWG | 已完成并打包 | 请下载最下面的压缩包 |
| 13 | 膜片弹簧自由状态.DWG | 已完成并打包 | 请下载最下面的压缩包 |
| 14 | 膜片离合器 (1).docx | 已完成并打包 | 请下载最下面的压缩包 |
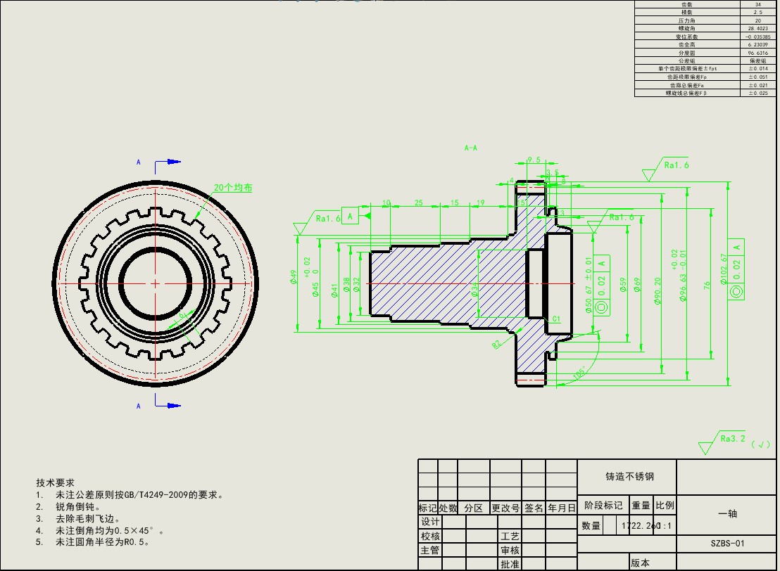
| 15 | 一轴.DWG | 已完成并打包 | 请下载最下面的压缩包 |
| 16 | 三轴五档变速器 (1).docx | 已完成并打包 | 请下载最下面的压缩包 |
| 17 | 三轴五档变速器.DWG | 已完成并打包 | 请下载最下面的压缩包 |
| 18 | 两档从动齿轮z7.DWG | 已完成并打包 | 请下载最下面的压缩包 |
| 19 | 主减速器主动轮.DWG | 已完成并打包 | 请下载最下面的压缩包 |
| 20 | 主减速器从动轮.DWG | 已完成并打包 | 请下载最下面的压缩包 |
| 21 | 整体式驱动桥 (1).docx | 已完成并打包 | 请下载最下面的压缩包 |
| 22 | 驱动桥.DWG | 已完成并打包 | 请下载最下面的压缩包 |
| 23 | 制动块.SLDPRT | 已完成并打包 | 请下载最下面的压缩包 |
| 24 | 制动块部件.SLDASM | 已完成并打包 | 请下载最下面的压缩包 |
| 25 | 制动底板.SLDPRT | 已完成并打包 | 请下载最下面的压缩包 |
| 26 | 制动盘.SLDPRT | 已完成并打包 | 请下载最下面的压缩包 |
| 27 | 制动钳.SLDPRT | 已完成并打包 | 请下载最下面的压缩包 |
| 28 | 制动钳支架.SLDPRT | 已完成并打包 | 请下载最下面的压缩包 |
| 29 | 导向销.SLDPRT | 已完成并打包 | 请下载最下面的压缩包 |
| 30 | 活塞.SLDPRT | 已完成并打包 | 请下载最下面的压缩包 |
| 31 | 转向节.SLDPRT | 已完成并打包 | 请下载最下面的压缩包 |
| 32 | 通风盘滑动钳盘式制动器.SLDASM | 已完成并打包 | 请下载最下面的压缩包 |
| 33 | Thumbs.db | 已完成并打包 | 请下载最下面的压缩包 |
| 34 | 从动片.SLDPRT | 已完成并打包 | 请下载最下面的压缩包 |
| 35 | 从动盘毂.SLDPRT | 已完成并打包 | 请下载最下面的压缩包 |
| 36 | 从动盘部件图.SLDASM | 已完成并打包 | 请下载最下面的压缩包 |
| 37 | 从动轴.SLDPRT | 已完成并打包 | 请下载最下面的压缩包 |
| 38 | 传动片.SLDPRT | 已完成并打包 | 请下载最下面的压缩包 |
| 39 | 减震盘.SLDPRT | 已完成并打包 | 请下载最下面的压缩包 |
| 40 | 压盘.SLDPRT | 已完成并打包 | 请下载最下面的压缩包 |
| 41 | 拉式单片离合器.SLDASM | 已完成并打包 | 请下载最下面的压缩包 |
| 42 | 摩擦片.SLDPRT | 已完成并打包 | 请下载最下面的压缩包 |
| 43 | 离合器盖.SLDPRT | 已完成并打包 | 请下载最下面的压缩包 |
| 44 | 膜片弹簧自由状态.SLDPRT | 已完成并打包 | 请下载最下面的压缩包 |
| 45 | 花键轴.SLDPRT | 已完成并打包 | 请下载最下面的压缩包 |
| 46 | 阻尼片.SLDPRT | 已完成并打包 | 请下载最下面的压缩包 |
| 47 | 5mm顶丝.SLDPRT | 已完成并打包 | 请下载最下面的压缩包 |
| 48 | Thumbs.db | 已完成并打包 | 请下载最下面的压缩包 |
| 49 | 一档从动齿轮z9.SLDPRT | 已完成并打包 | 请下载最下面的压缩包 |
| 50 | 一轴.SLDPRT | 已完成并打包 | 请下载最下面的压缩包 |
| 51 | 三挡主动齿轮z6.SLDPRT | 已完成并打包 | 请下载最下面的压缩包 |
| 52 | 三挡从动齿轮z5.SLDPRT | 已完成并打包 | 请下载最下面的压缩包 |
| 53 | 三轴五档变速器.SLDASM | 已完成并打包 | 请下载最下面的压缩包 |
| 54 | 两档主动齿轮z8.SLDPRT | 已完成并打包 | 请下载最下面的压缩包 |
| 55 | 两档从动齿轮z7.SLDPRT | 已完成并打包 | 请下载最下面的压缩包 |
| 56 | 中间轴.SLDPRT | 已完成并打包 | 请下载最下面的压缩包 |
| 57 | 二轴.SLDPRT | 已完成并打包 | 请下载最下面的压缩包 |
| 58 | 五档常啮合从动齿轮z2.SLDPRT | 已完成并打包 | 请下载最下面的压缩包 |
| 59 | 倒挡中间轮z12.SLDPRT | 已完成并打包 | 请下载最下面的压缩包 |
| 60 | 倒挡主动轮z13.SLDPRT | 已完成并打包 | 请下载最下面的压缩包 |
| 61 | 倒挡从动齿轮z11.SLDPRT | 已完成并打包 | 请下载最下面的压缩包 |
| 62 | 四挡从动齿轮z3.SLDPRT | 已完成并打包 | 请下载最下面的压缩包 |
| 63 | 四档主动齿轮z4.SLDPRT | 已完成并打包 | 请下载最下面的压缩包 |
| 64 | 主减速器主动轮.SLDPRT | 已完成并打包 | 请下载最下面的压缩包 |
| 65 | 主减速器从动轮.SLDPRT | 已完成并打包 | 请下载最下面的压缩包 |
| 66 | 凸缘.SLDPRT | 已完成并打包 | 请下载最下面的压缩包 |
| 67 | 十字轴.SLDPRT | 已完成并打包 | 请下载最下面的压缩包 |
| 68 | 半轴齿轮.SLDPRT | 已完成并打包 | 请下载最下面的压缩包 |
| 69 | 左半轴.SLDPRT | 已完成并打包 | 请下载最下面的压缩包 |
| 70 | 差速器右壳.SLDPRT | 已完成并打包 | 请下载最下面的压缩包 |
| 71 | 差速器左壳.SLDPRT | 已完成并打包 | 请下载最下面的压缩包 |
| 72 | 行星齿轮.SLDPRT | 已完成并打包 | 请下载最下面的压缩包 |
| 73 | 驱动桥.SLDASM | 已完成并打包 | 请下载最下面的压缩包 |
| 所有文件 | 可下载 | ||
| 外部工具 | 在线DWG(CAD文件)转PDF工具 |