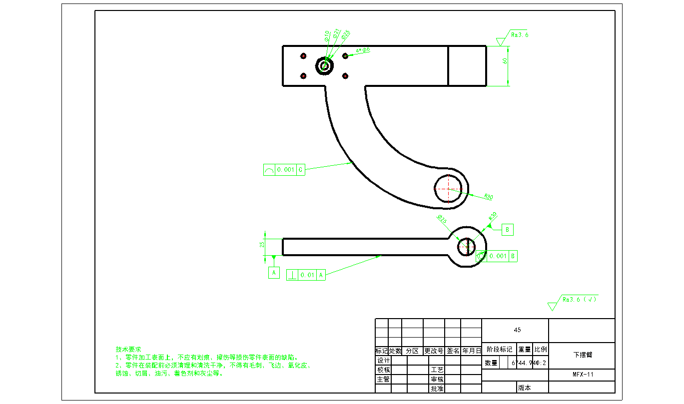
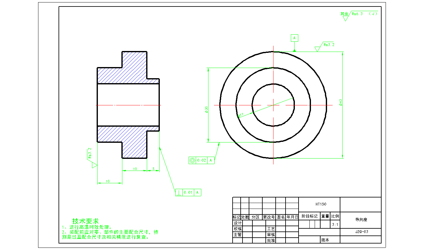
麦弗逊悬架 说+装+(下摆臂,转向节, 双筒减振器部件图 螺旋弹簧(这个是减震器的零件) 储油缸筒,活塞,导向座)
| # | 名称 | 状态 | 操作 |
|---|---|---|---|
| 1 | PDF预览文件 | 可下载 | PDF文件1 |
| 2 | 下摆臂.DWG | 已完成并打包 | 请下载最下面的压缩包 |
| 3 | 储油缸筒.DWG | 已完成并打包 | 请下载最下面的压缩包 |
| 4 | 双筒减振器.DWG | 已完成并打包 | 请下载最下面的压缩包 |
| 5 | 导向座.DWG | 已完成并打包 | 请下载最下面的压缩包 |
| 6 | 活塞.DWG | 已完成并打包 | 请下载最下面的压缩包 |
| 7 | 螺旋弹簧.DWG | 已完成并打包 | 请下载最下面的压缩包 |
| 8 | 转向节.DWG | 已完成并打包 | 请下载最下面的压缩包 |
| 9 | 麦佛逊悬架.DWG | 已完成并打包 | 请下载最下面的压缩包 |
| 10 | 麦弗逊式悬架 (1).docx | 已完成并打包 | 请下载最下面的压缩包 |
| 所有文件 | 可下载 | ||
| 外部工具 | 在线DWG(CAD文件)转PDF工具 |