20251203-19-离合器 说明书+装配图A0+2个零件A2 膜片弹簧或压盘等 发动机最大转矩(N·m):290 发动机最大功率对应最大转速(rpm):5800 最高车速(km/h):220 汽车最大总质量(满载质量)(kg):1950 轴距(mm):2760 满载同步附着系数:0.85 最大爬坡度:30% 前轴允许载荷(kg): 后轴允许载荷(kg): 前轮距(mm): 后轮距(mm): 轮胎规格:
| # | 名称 | 状态 | 操作 |
|---|---|---|---|
| 1 | PDF预览文件 | 可下载 | PDF文件1 |
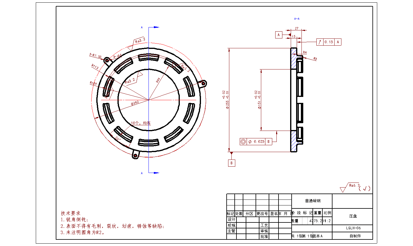
| 2 | 压盘.DWG | 已完成并打包 | 请下载最下面的压缩包 |
| 3 | 拉式单片离合器.DWG | 已完成并打包 | 请下载最下面的压缩包 |
| 4 | 膜片弹簧自由状态.DWG | 已完成并打包 | 请下载最下面的压缩包 |
| 5 | 膜片离合器 (1).docx | 已完成并打包 | 请下载最下面的压缩包 |
| 所有文件 | 可下载 | ||
| 外部工具 | 在线DWG(CAD文件)转PDF工具 |