奕帆工业
推广享折扣赚佣金
首页
全部商品
常见问题
注册/登录
主页
顶部
推广
咨询
新建文本文档
发布时间:2025-10-17 11:09
预览信息
详细说明
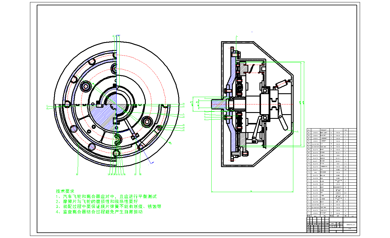
说+装+2零件
文件列表
#
名称
状态
操作
1
PDF预览文件
可下载
PDF文件1
2
压盘.DWG
已完成并打包
请下载最下面的压缩包
3
周置螺旋弹簧离合器.DWG
已完成并打包
请下载最下面的压缩包
4
推式周置螺旋弹簧离合器 (1).docx
已完成并打包
请下载最下面的压缩包
5
摩擦片.DWG
已完成并打包
请下载最下面的压缩包
所有文件
可下载
输入提取码
或支付(30.0元)
购买
外部工具
在线DWG(CAD文件)转PDF工具