20251010-01-主减速器(3份) 说明书+装配图+2个零件 主动锥齿轮和从动锥齿轮 零件图要一样的 我们三个的学号分别是9,29,32, 单级减速器, 装配图a1的图纸,主动锥齿轮和从动锥齿轮都是a2的图纸
| # | 名称 | 状态 | 操作 |
|---|---|---|---|
| 1 | PDF预览文件 | 可下载 | PDF文件1 |
| 2 | PDF预览文件 | 可下载 | PDF文件2 |
| 3 | PDF预览文件 | 可下载 | PDF文件3 |
| 4 | 主减速器.DWG | 已完成并打包 | 请下载最下面的压缩包 |
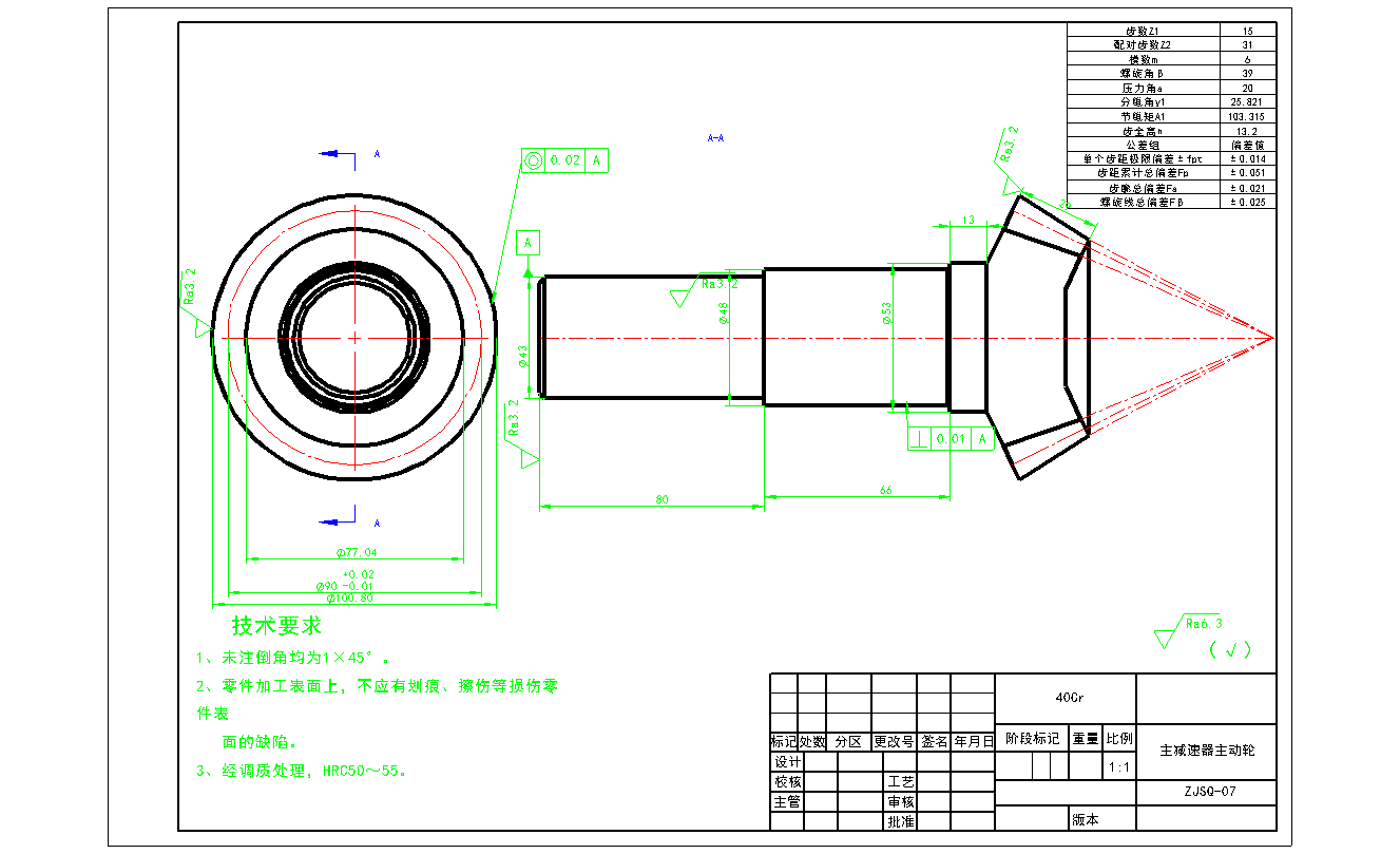
| 5 | 主减速器主动轮.DWG | 已完成并打包 | 请下载最下面的压缩包 |
| 6 | 主减速器从动轮.DWG | 已完成并打包 | 请下载最下面的压缩包 |
| 7 | 单级主减速器 (1).docx | 已完成并打包 | 请下载最下面的压缩包 |
| 8 | 主减速器.DWG | 已完成并打包 | 请下载最下面的压缩包 |
| 9 | 主减速器主动轮.DWG | 已完成并打包 | 请下载最下面的压缩包 |
| 10 | 主减速器从动轮.DWG | 已完成并打包 | 请下载最下面的压缩包 |
| 11 | 单级主减速器 (1).docx | 已完成并打包 | 请下载最下面的压缩包 |
| 12 | 主减速器.DWG | 已完成并打包 | 请下载最下面的压缩包 |
| 13 | 主减速器主动轮.DWG | 已完成并打包 | 请下载最下面的压缩包 |
| 14 | 主减速器从动轮.DWG | 已完成并打包 | 请下载最下面的压缩包 |
| 15 | 单级主减速器 (1).docx | 已完成并打包 | 请下载最下面的压缩包 |
| 所有文件 | 可下载 | ||
| 外部工具 | 在线DWG(CAD文件)转PDF工具 |