麦弗逊悬架 说+装+2零件 2023款奇瑞QQ指的是奇瑞QQ冰淇淋,其具体参数数据如下: 基本信息 - 车型:微型车 - 厂商:奇瑞新能源 - 能源类型:纯电动 - 上市时间:2023年 - 车身结构:3门4座两厢车 - 长×宽×高(mm):2980×1496×1637(部分车型为3008×1496×1637) - 轴距(mm):1960 - 整备质量(kg):699-728 动力系统 - 电动机类型:永磁同步 - 最大功率(kW):20-30 - 最大扭矩(N·m):85-90 - 纯电续航里程(km):120-205 - 电池类型:磷酸铁锂电池 - 电池容量(kWh):9.4-17.4 - 充电时间:慢充6-8小时,部分车型支持快充,电量完成30%-80%的SOC补能仅需75分钟 底盘转向 - 驱动方式:后置后驱 - 前悬挂形式:麦弗逊式独立悬挂 - 后悬挂形式:整体桥式非独立悬挂 - 转向类型:电动助力 配置方面 - 安全配置:标配ABS防抱死、制动力分配、刹车辅助、胎压报警、安全带未系提示、儿童座椅接口等,部分车型配备主驾安全气囊。 - 辅助配置:部分车型有倒车影像、上坡辅助、驾驶模式选择等,部分高配车型还支持手机APP远程控制。
| # | 名称 | 状态 | 操作 |
|---|---|---|---|
| 1 | PDF预览文件 | 可下载 | PDF文件1 |
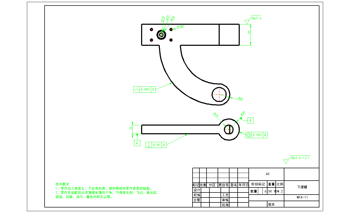
| 2 | 下摆臂.DWG | 已完成并打包 | 请下载最下面的压缩包 |
| 3 | 转向节.DWG | 已完成并打包 | 请下载最下面的压缩包 |
| 4 | 麦佛逊悬架.DWG | 已完成并打包 | 请下载最下面的压缩包 |
| 5 | 麦弗逊式悬架 (1).docx | 已完成并打包 | 请下载最下面的压缩包 |
| 所有文件 | 可下载 | ||
| 外部工具 | 在线DWG(CAD文件)转PDF工具 |