我要小轿车锥齿轮的 没有数据,给找一个车型 说明书+装配图+2零
| # | 名称 | 状态 | 操作 |
|---|---|---|---|
| 1 | PDF预览文件 | 可下载 | PDF文件1 |
| 2 | PDF预览文件 | 可下载 | PDF文件2 |
| 3 | 12.docx | 已完成并打包 | 请下载最下面的压缩包 |
| 4 | 主减速器从动轮.DWG | 已完成并打包 | 请下载最下面的压缩包 |
| 5 | 主减速器从动轮.pdf | 已完成并打包 | 请下载最下面的压缩包 |
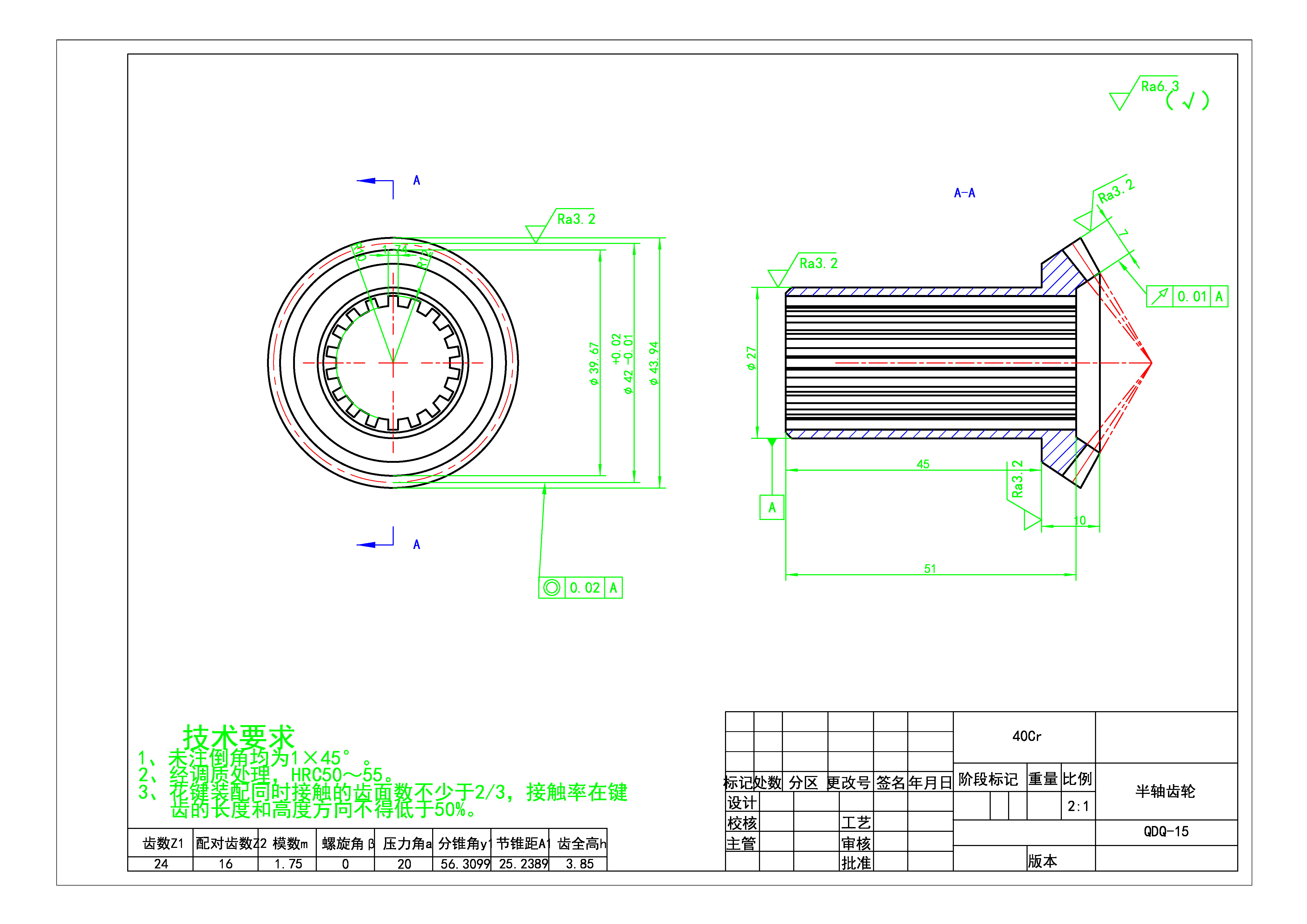
| 6 | 半轴齿轮.DWG | 已完成并打包 | 请下载最下面的压缩包 |
| 7 | 半轴齿轮.pdf | 已完成并打包 | 请下载最下面的压缩包 |
| 8 | 驱动桥.DWG | 已完成并打包 | 请下载最下面的压缩包 |
| 9 | 驱动桥.pdf | 已完成并打包 | 请下载最下面的压缩包 |
| 10 | 12.docx | 已完成并打包 | 请下载最下面的压缩包 |
| 11 | 主减速器从动轮.DWG | 已完成并打包 | 请下载最下面的压缩包 |
| 12 | 主减速器从动轮.pdf | 已完成并打包 | 请下载最下面的压缩包 |
| 13 | 半轴齿轮.DWG | 已完成并打包 | 请下载最下面的压缩包 |
| 14 | 半轴齿轮.pdf | 已完成并打包 | 请下载最下面的压缩包 |
| 15 | 驱动桥.DWG | 已完成并打包 | 请下载最下面的压缩包 |
| 16 | 驱动桥.pdf | 已完成并打包 | 请下载最下面的压缩包 |
| 所有文件 | 可下载 | ||
| 外部工具 | 在线DWG(CAD文件)转PDF工具 |