202500910-09-离合器 说+装+2零件 设计膜片弹簧及压盘。 二组任务: 1、确定拉式膜片弹簧离合器的总体方案。 2、确定离合器的主要参数。 3、 4、编制设计说明书。
| # | 名称 | 状态 | 操作 |
|---|---|---|---|
| 1 | PDF预览文件 | 可下载 | PDF文件1 |
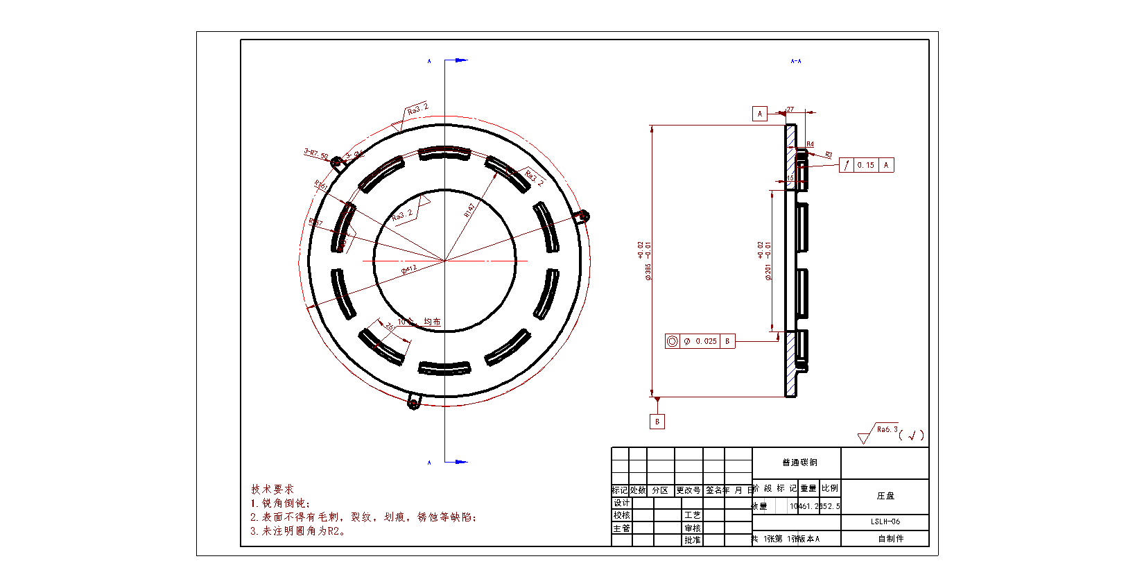
| 2 | 压盘.DWG | 已完成并打包 | 请下载最下面的压缩包 |
| 3 | 拉式单片离合器.DWG | 已完成并打包 | 请下载最下面的压缩包 |
| 4 | 膜片弹簧自由状态.DWG | 已完成并打包 | 请下载最下面的压缩包 |
| 5 | 膜片离合器 (1).docx | 已完成并打包 | 请下载最下面的压缩包 |
| 所有文件 | 可下载 | ||
| 外部工具 | 在线DWG(CAD文件)转PDF工具 |