主页 推广 咨询

说明书+装配图+工艺流程图+塔板布置图=

发布时间:2025-09-08 13:59
预览信息
详细说明

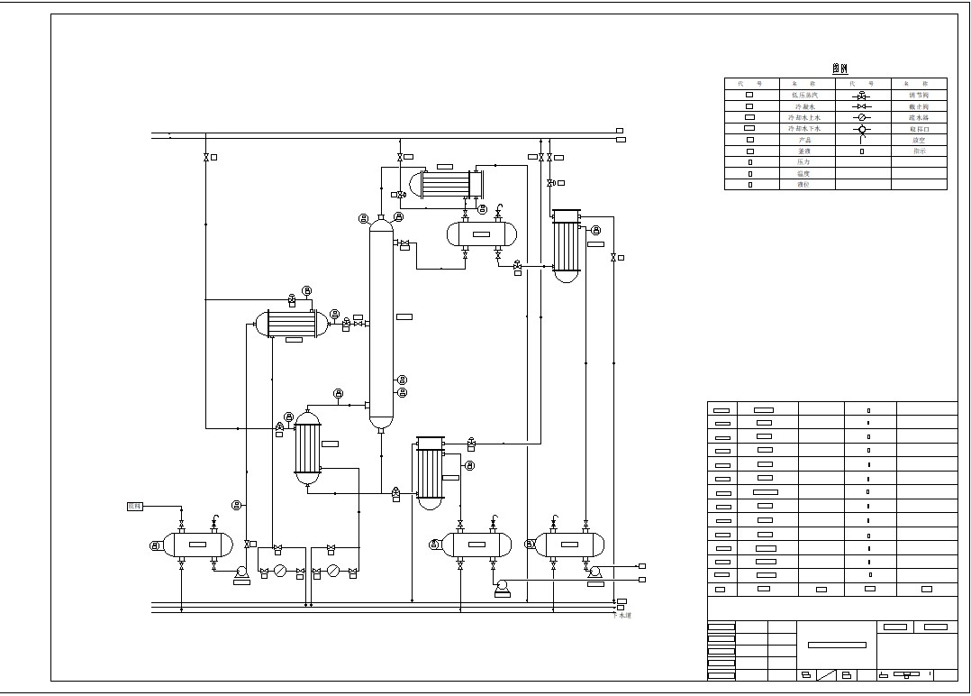
说明书+装配图+工艺流程图+塔板布置图 年处理量4万吨,原料轻组分40%,塔顶95%,塔底94% 甲醇——水精馏塔

文件列表
# 名称 状态 操作
1 PDF预览文件 可下载 PDF文件1
2 3800-20-4304.dwg 已完成并打包 请下载最下面的压缩包
3 工艺流程图A3 (2).dwg 已完成并打包 请下载最下面的压缩包
4 筛板精馏塔 (1).docx 已完成并打包 请下载最下面的压缩包
5 筛板精馏塔.DWG 已完成并打包 请下载最下面的压缩包
所有文件 可下载
输入提取码 或支付(30.0元) 购买
外部工具 在线DWG(CAD文件)转PDF工具