主页 推广 咨询

新建文本文档

发布时间:2025-09-06 06:48
预览信息
详细说明

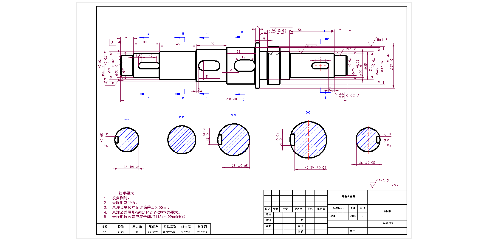
说+装+2零件 零件图画一个中间轴 再画一个中间轴上齿轮 做直接档的 数据给的按照给的取值,没有的按照经验给取值

文件列表
# 名称 状态 操作
1 PDF预览文件 可下载 PDF文件1
2 三轴四挡变速器.DWG 已完成并打包 请下载最下面的压缩包
3 三轴四档变速器 (1).docx 已完成并打包 请下载最下面的压缩包
4 两档主动齿轮z8.DWG 已完成并打包 请下载最下面的压缩包
5 中间轴.DWG 已完成并打包 请下载最下面的压缩包
所有文件 可下载
输入提取码 或支付(30.0元) 购买
外部工具 在线DWG(CAD文件)转PDF工具