主页 推广 咨询

新建文本文档

发布时间:2025-09-08 06:48
预览信息
详细说明

设计说明+装配图+2零件图 零件要顾客截图画出来的两个 https://www.autohome.com.cn/spec/74464/#pvareaid=6861993

文件列表
# 名称 状态 操作
1 PDF预览文件 可下载 PDF文件1
2 三轴.DWG 已完成并打包 请下载最下面的压缩包
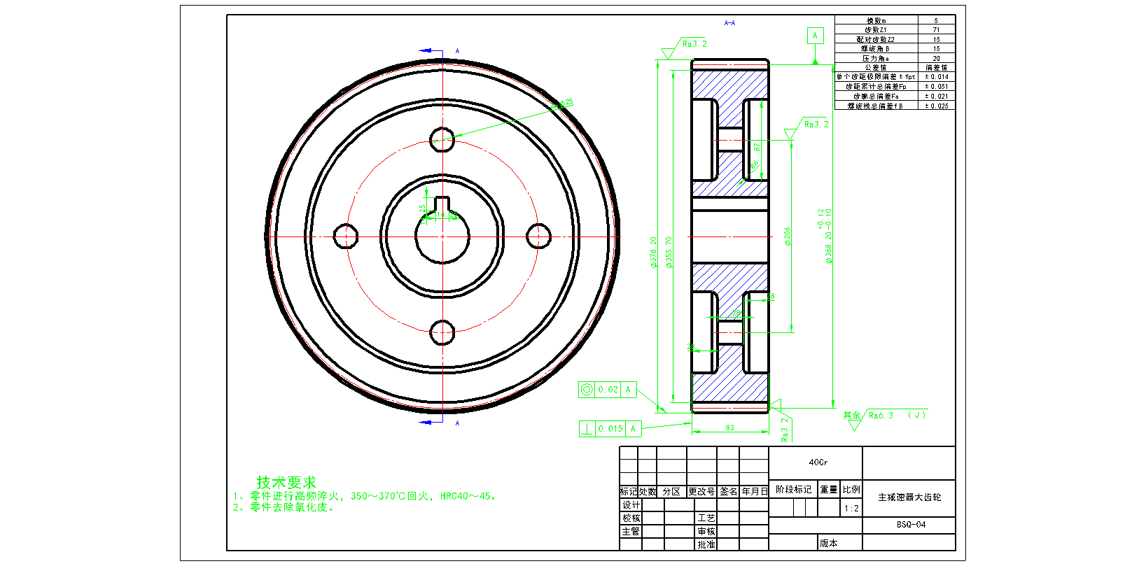
3 主减速器大齿轮.DWG 已完成并打包 请下载最下面的压缩包
4 二挡变速器 (1).docx 已完成并打包 请下载最下面的压缩包
5 二挡变速器.DWG 已完成并打包 请下载最下面的压缩包
所有文件 可下载
输入提取码 或支付(30.0元) 购买
外部工具 在线DWG(CAD文件)转PDF工具