说+装+2零件+sw
# | 名称 | 状态 | 操作 |
---|---|---|---|
1 | PDF预览文件 | 可下载 | PDF文件1 |
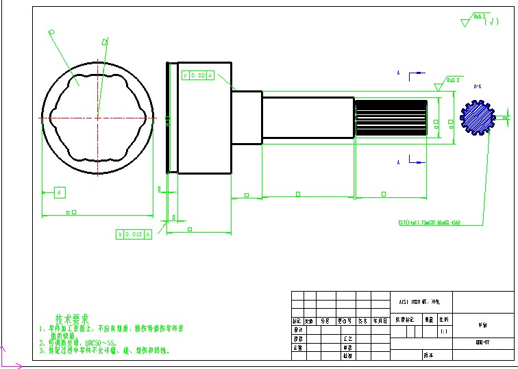
2 | 半轴.DWG | 已完成并打包 | 请下载最下面的压缩包 |
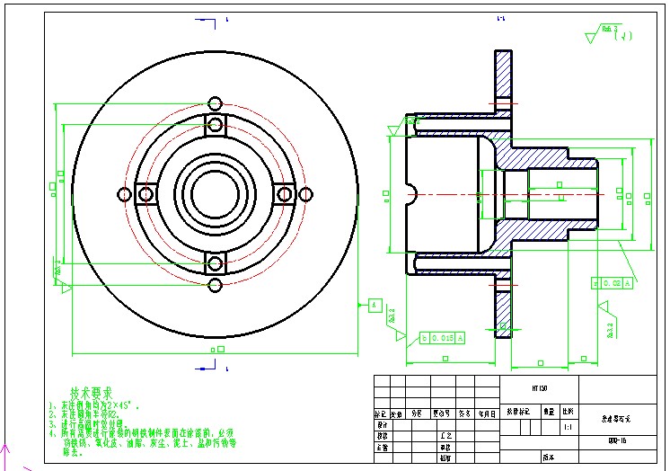
3 | 差速器左壳.DWG | 已完成并打包 | 请下载最下面的压缩包 |
4 | 断开式驱动桥 (1).docx | 已完成并打包 | 请下载最下面的压缩包 |
5 | 驱动桥.DWG | 已完成并打包 | 请下载最下面的压缩包 |
6 | 主减速器主动轮.SLDPRT | 已完成并打包 | 请下载最下面的压缩包 |
7 | 主减速器从动轮.SLDPRT | 已完成并打包 | 请下载最下面的压缩包 |
8 | 凸缘.SLDPRT | 已完成并打包 | 请下载最下面的压缩包 |
9 | 半轴.SLDPRT | 已完成并打包 | 请下载最下面的压缩包 |
10 | 半轴齿轮.SLDPRT | 已完成并打包 | 请下载最下面的压缩包 |
11 | 差速器右壳.SLDPRT | 已完成并打包 | 请下载最下面的压缩包 |
12 | 差速器左壳.SLDPRT | 已完成并打包 | 请下载最下面的压缩包 |
13 | 行星齿轮.SLDPRT | 已完成并打包 | 请下载最下面的压缩包 |
14 | 轴承端盖.SLDPRT | 已完成并打包 | 请下载最下面的压缩包 |
15 | 防尘套.SLDPRT | 已完成并打包 | 请下载最下面的压缩包 |
16 | 驱动桥.SLDASM | 已完成并打包 | 请下载最下面的压缩包 |
所有文件 | 可下载 | ||
外部工具 | 在线DWG(CAD文件)转PDF工具 |