主页 推广 咨询

202500901-28-三轴四档

发布时间:2025-09-02 08:52
预览信息
详细说明

202500901-28-三轴四档 说+装+2零件 二轴 一档齿轮 https://product.360che.com/m83/20728_index.html

文件列表
# 名称 状态 操作
1 PDF预览文件 可下载 PDF文件1
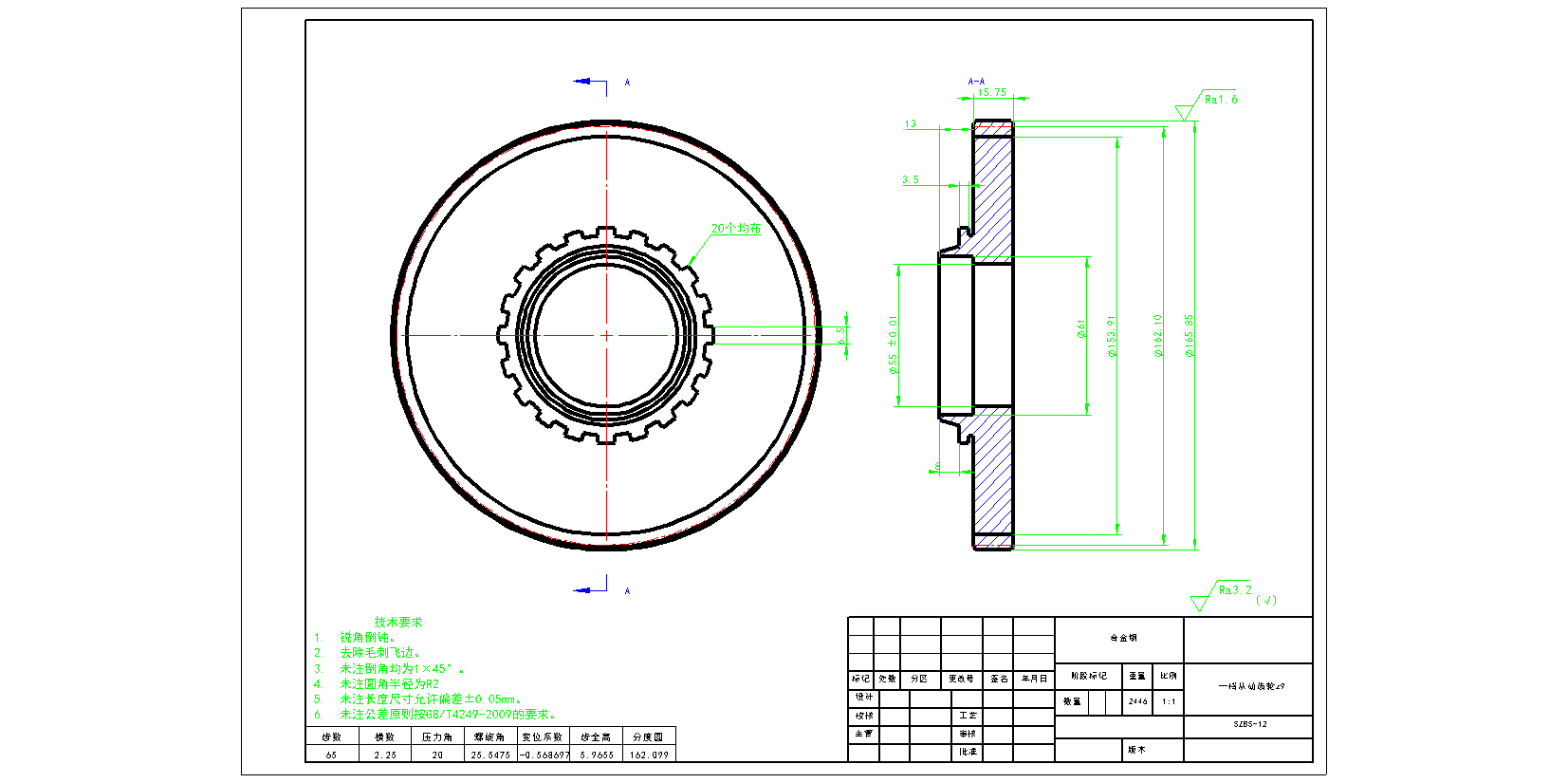
2 一档从动齿轮z9.DWG 已完成并打包 请下载最下面的压缩包
3 三轴四挡变速器.DWG 已完成并打包 请下载最下面的压缩包
4 三轴四档变速器 (1).docx 已完成并打包 请下载最下面的压缩包
5 二轴.DWG 已完成并打包 请下载最下面的压缩包
所有文件 可下载
输入提取码 或支付(30.0元) 购买
外部工具 在线DWG(CAD文件)转PDF工具