主页 推广 咨询

202500831-03-变速器

发布时间:2025-09-01 07:07
预览信息
详细说明

202500831-03-变速器 说+装+2零件 按照第七组的数据

文件列表
# 名称 状态 操作
1 PDF预览文件 可下载 PDF文件1
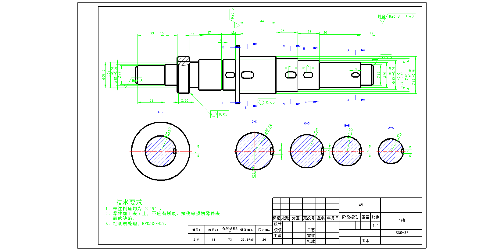
2 1轴.DWG 已完成并打包 请下载最下面的压缩包
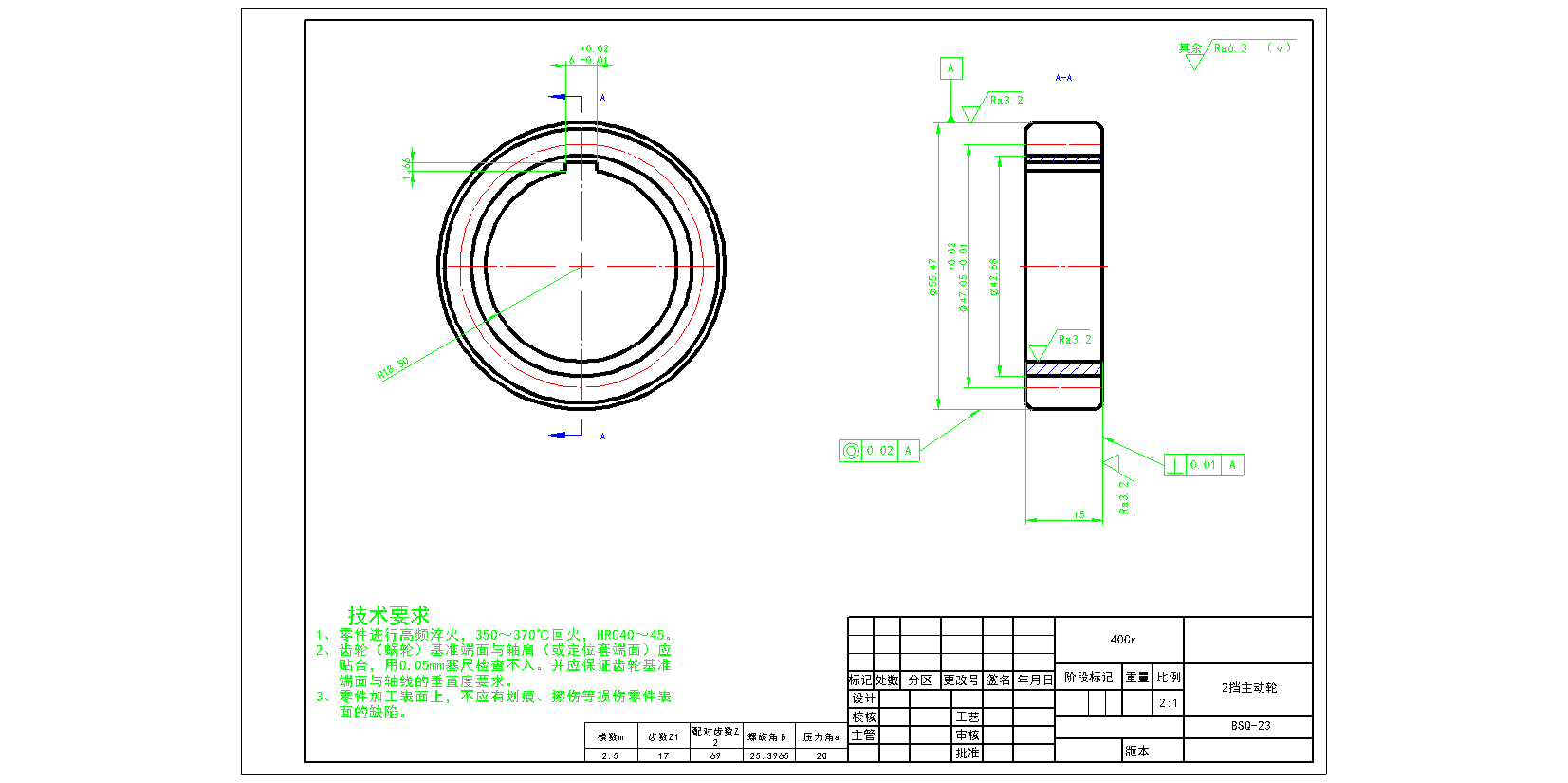
3 2挡主动轮.DWG 已完成并打包 请下载最下面的压缩包
4 二轴五档变速器 (1).docx 已完成并打包 请下载最下面的压缩包
5 二轴五档变速器.DWG 已完成并打包 请下载最下面的压缩包
所有文件 可下载
输入提取码 或支付(30.0元) 购买
外部工具 在线DWG(CAD文件)转PDF工具