奕帆工业
推广享折扣赚佣金
首页
全部商品
常见问题
注册/登录
主页
顶部
推广
咨询
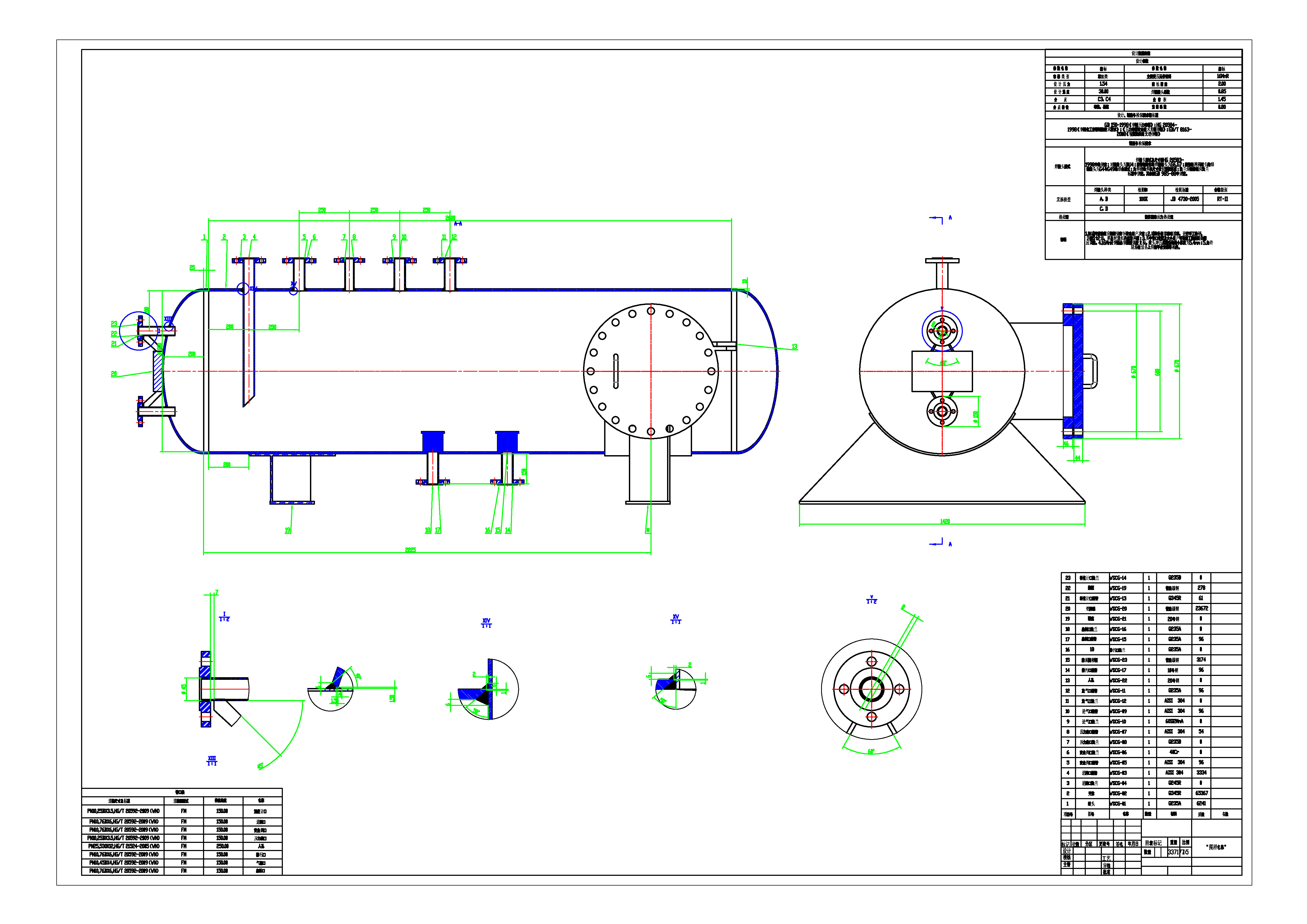
202500719-01-卧式储罐
发布时间:2025-07-19 07:53
预览信息
详细说明
202500719-01-卧式储罐 说+装
文件列表
#
名称
状态
操作
1
PDF预览文件
可下载
PDF文件1
2
11.docx
已完成并打包
请下载最下面的压缩包
3
卧式储罐(1).DWG
已完成并打包
请下载最下面的压缩包
4
卧式储罐(1).pdf
已完成并打包
请下载最下面的压缩包
所有文件
可下载
输入提取码
或支付(30.0元)
购买
外部工具
在线DWG(CAD文件)转PDF工具