202500714-05-齿轮齿条 说+装+4零件
# | 名称 | 状态 | 操作 |
---|---|---|---|
1 | PDF预览文件 | 可下载 | PDF文件1 |
2 | 11.docx | 已完成并打包 | 请下载最下面的压缩包 |
3 | 壳体.DWG | 已完成并打包 | 请下载最下面的压缩包 |
4 | 壳体.pdf | 已完成并打包 | 请下载最下面的压缩包 |
5 | 齿条.DWG | 已完成并打包 | 请下载最下面的压缩包 |
6 | 齿条.pdf | 已完成并打包 | 请下载最下面的压缩包 |
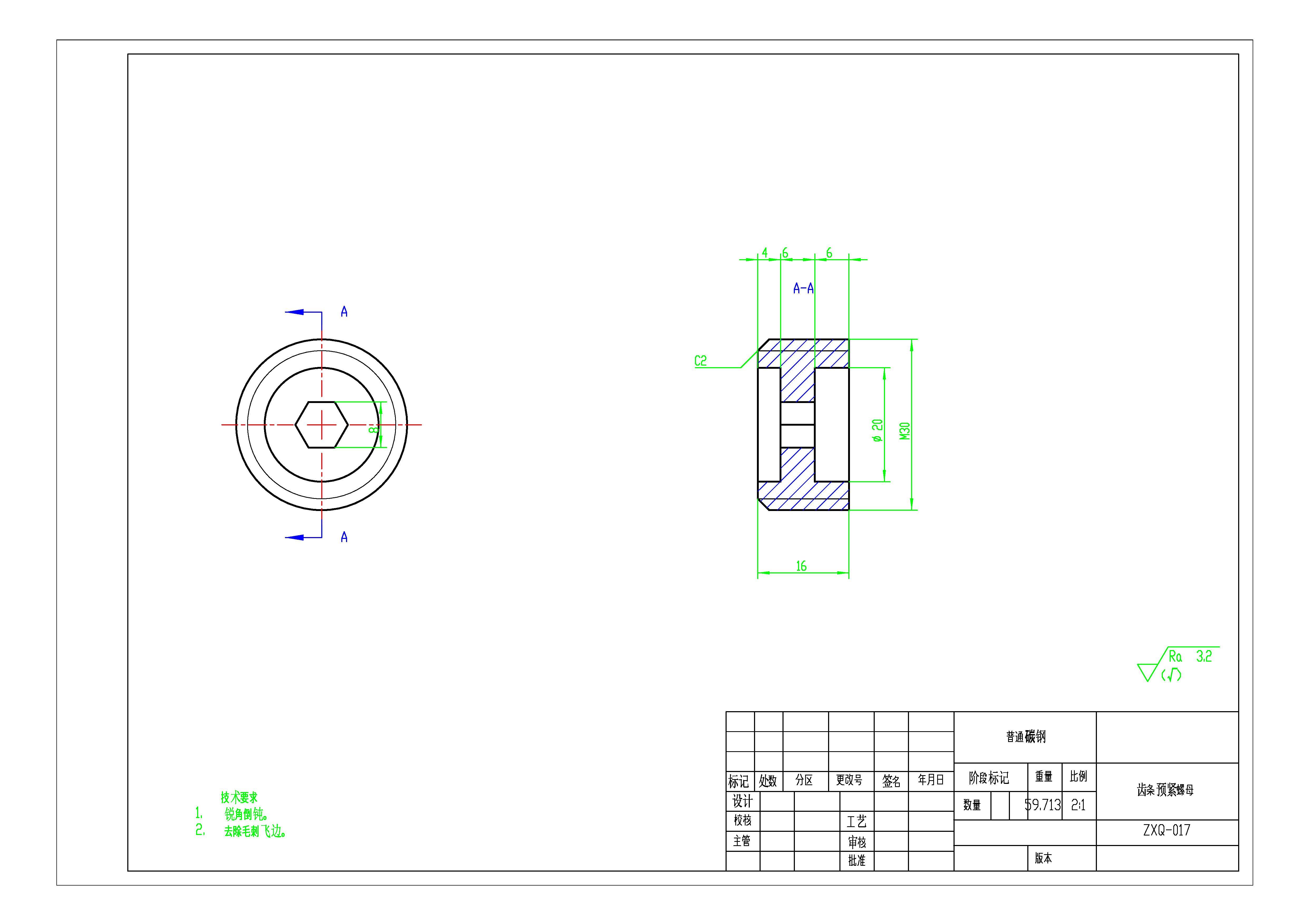
7 | 齿条预紧螺母.DWG | 已完成并打包 | 请下载最下面的压缩包 |
8 | 齿条预紧螺母.pdf | 已完成并打包 | 请下载最下面的压缩包 |
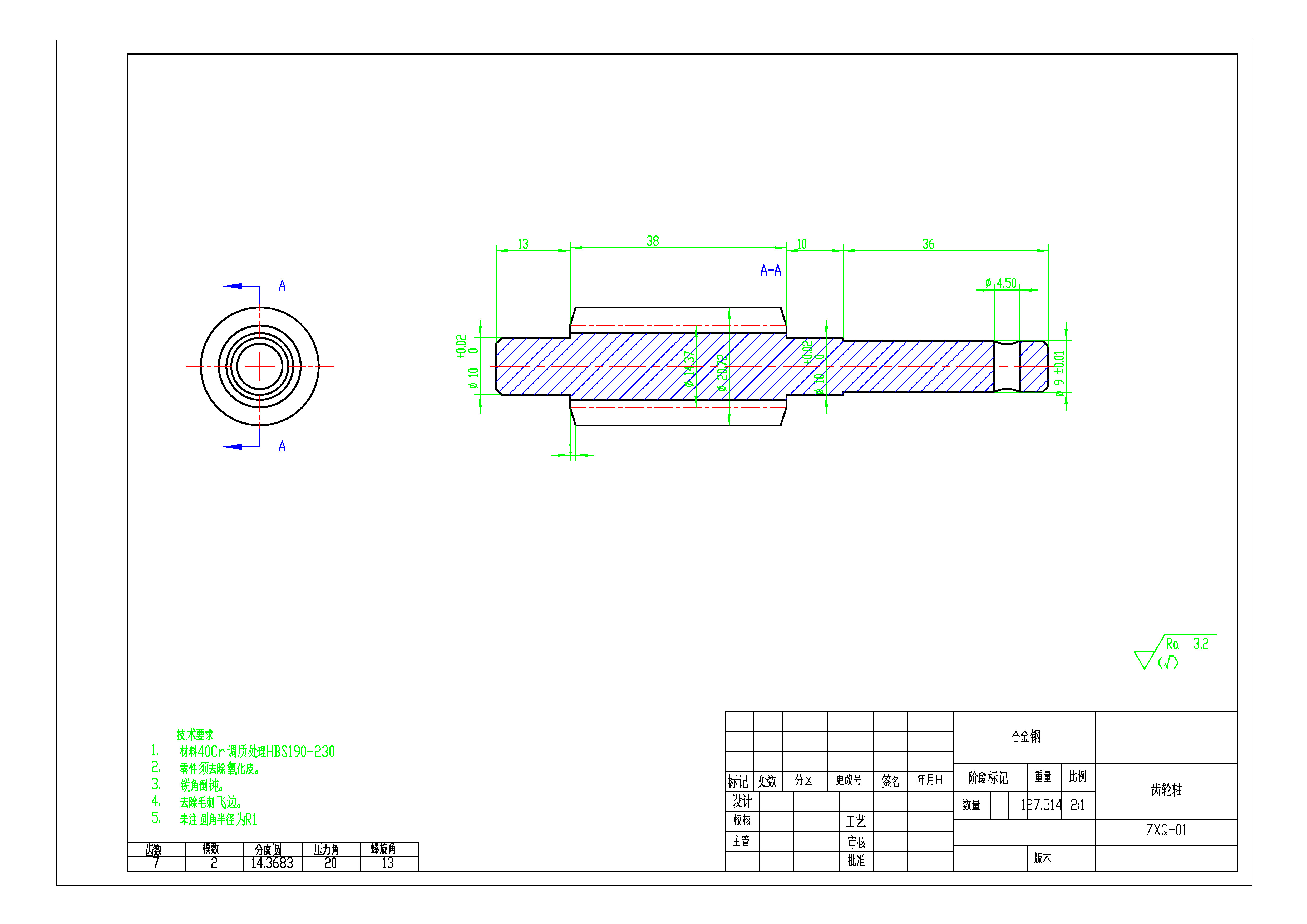
9 | 齿轮轴.DWG | 已完成并打包 | 请下载最下面的压缩包 |
10 | 齿轮轴.pdf | 已完成并打包 | 请下载最下面的压缩包 |
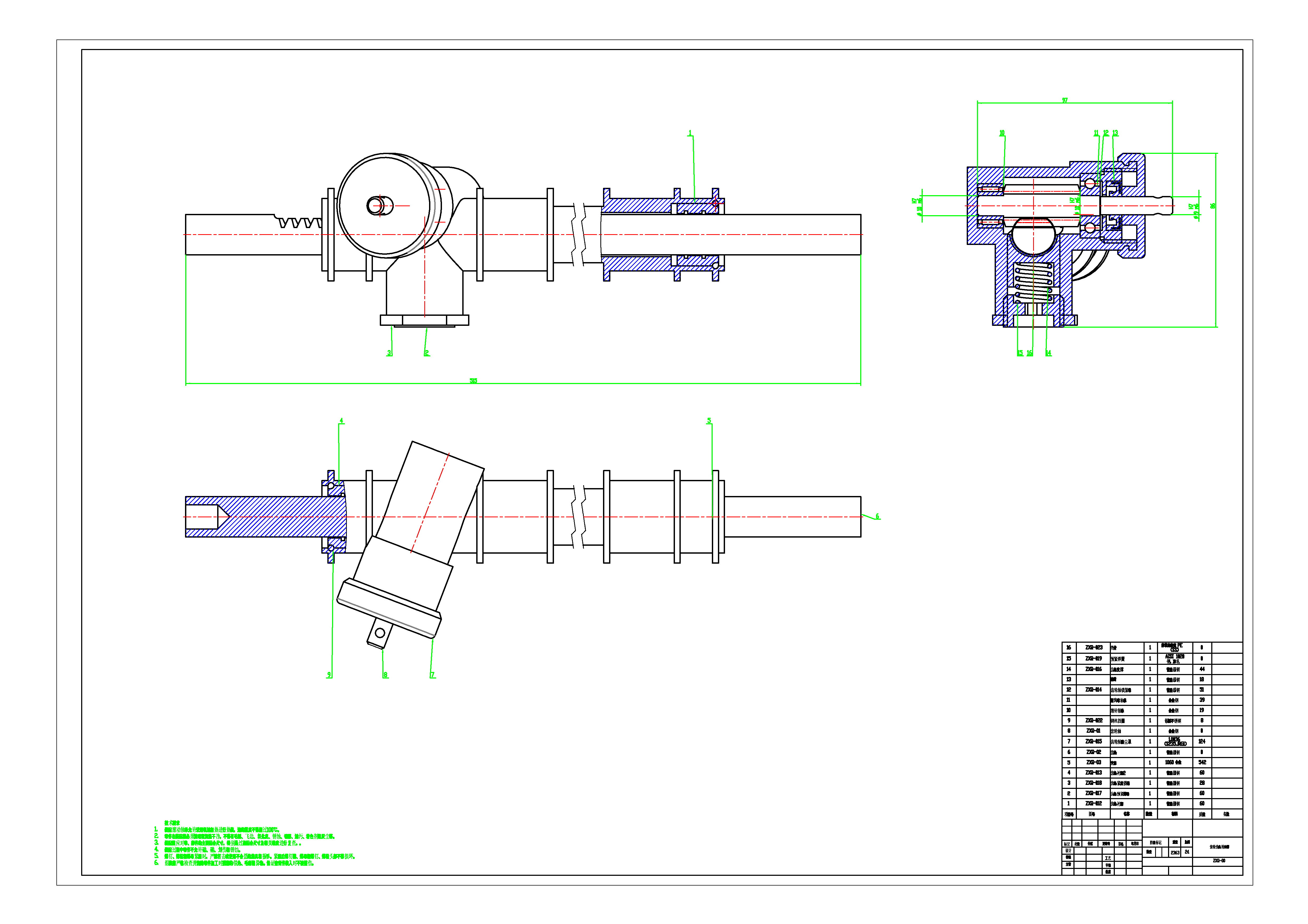
11 | 齿轮齿条转向器.DWG | 已完成并打包 | 请下载最下面的压缩包 |
12 | 齿轮齿条转向器.pdf | 已完成并打包 | 请下载最下面的压缩包 |
所有文件 | 可下载 | ||
外部工具 | 在线DWG(CAD文件)转PDF工具 |