主页 推广 咨询

20250630-10-储罐

发布时间:2025-07-04 03:21
预览信息
详细说明

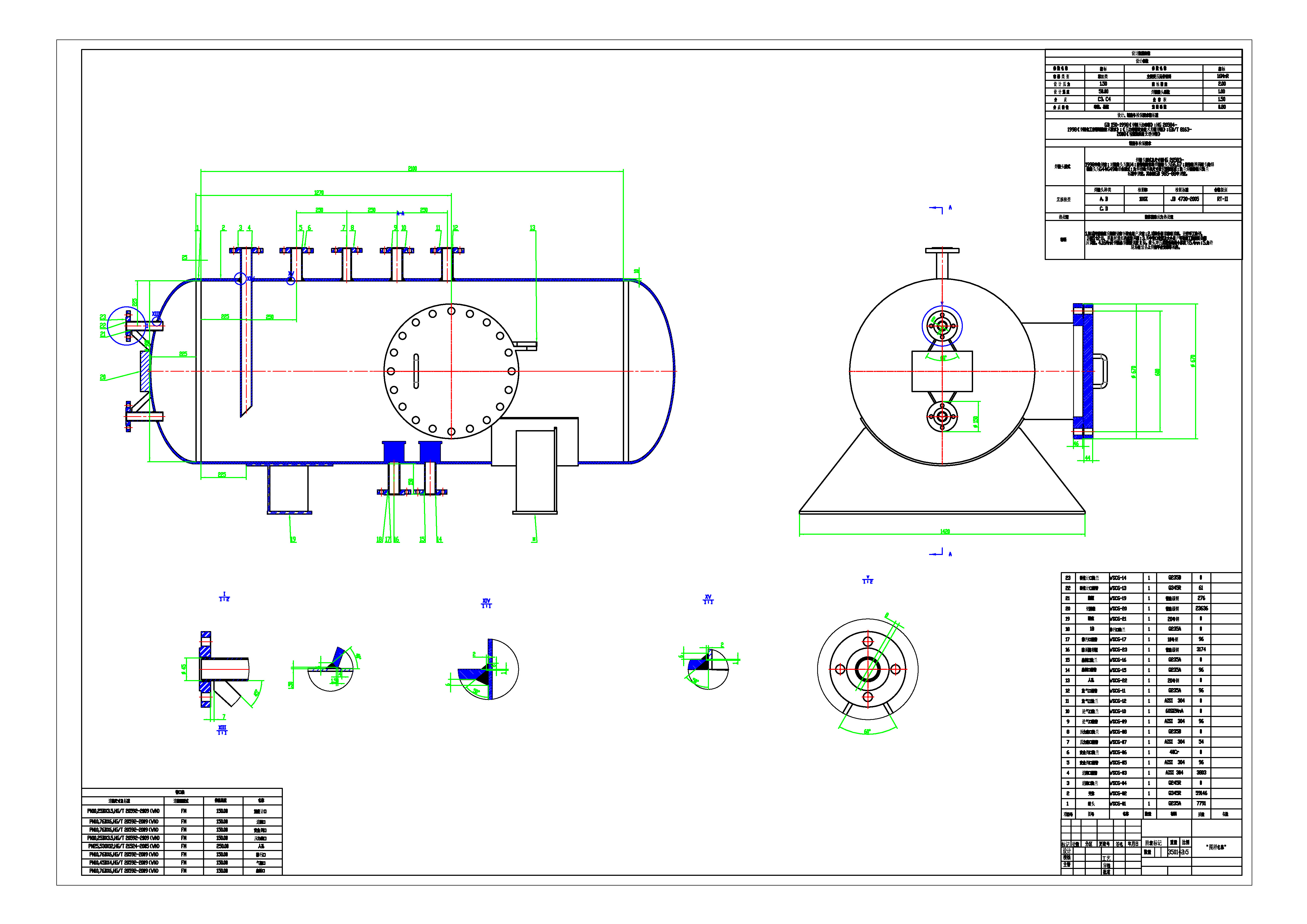
20250630-10-储罐 说+装 单号:4607562456641900849 容积1.5立方米 工作温度100度 直径900mm 工作压力1.5Mpa 保温层:100mm厚聚氨脂泡沫塑料 筒体、封头:Q345R 接管:10 支座:Q235-A

文件列表
# 名称 状态 操作
1 PDF预览文件 可下载 PDF文件1
2 11.docx 已完成并打包 请下载最下面的压缩包
3 卧式储罐(1).DWG 已完成并打包 请下载最下面的压缩包
4 卧式储罐(1).pdf 已完成并打包 请下载最下面的压缩包
所有文件 可下载
输入提取码 或支付(30.0元) 购买
外部工具 在线DWG(CAD文件)转PDF工具