20250627-05-三轴五档 说+装+2零件 车型大众MQ250 链接里面是截选了MQ250,注意看一下就可以了 https://club.autohome.com.cn/bbs/thread/0b685df8fb19a62a/62804552-1.html
# | 名称 | 状态 | 操作 |
---|---|---|---|
1 | PDF预览文件 | 可下载 | PDF文件1 |
2 | 11.docx | 已完成并打包 | 请下载最下面的压缩包 |
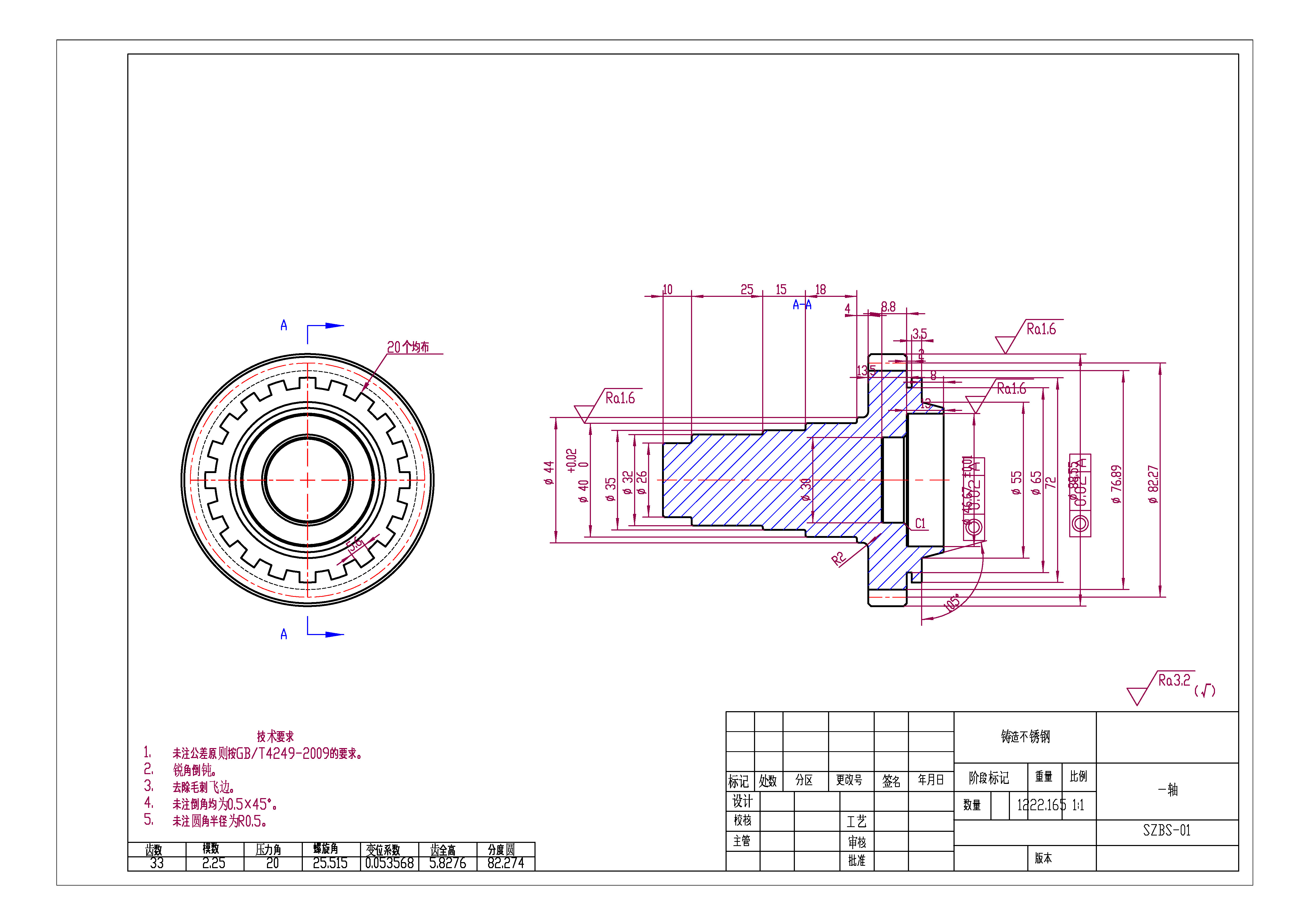
3 | 一轴.DWG | 已完成并打包 | 请下载最下面的压缩包 |
4 | 一轴.pdf | 已完成并打包 | 请下载最下面的压缩包 |
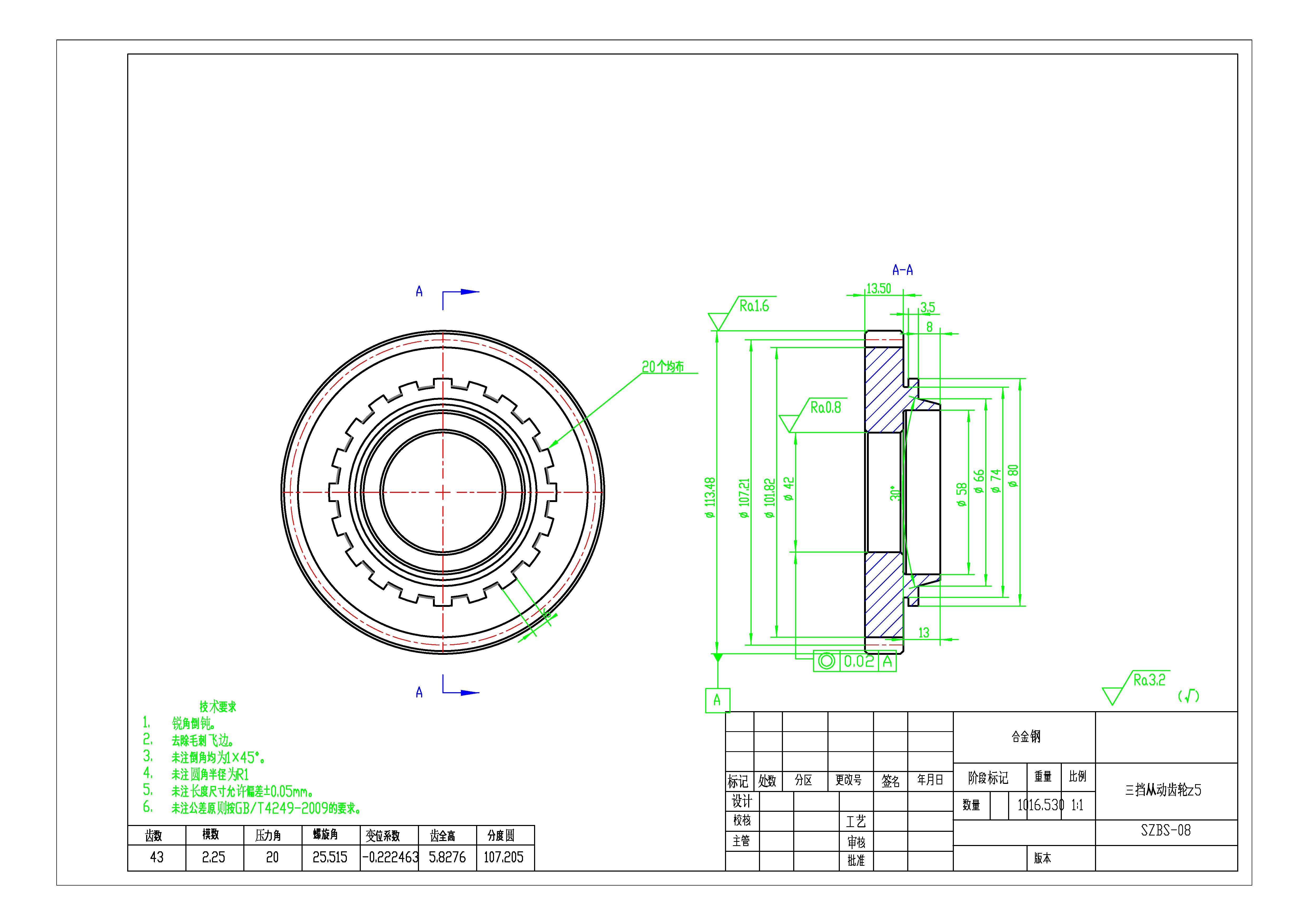
5 | 三挡从动齿轮z5.DWG | 已完成并打包 | 请下载最下面的压缩包 |
6 | 三挡从动齿轮z5.pdf | 已完成并打包 | 请下载最下面的压缩包 |
7 | 三轴五档变速器.DWG | 已完成并打包 | 请下载最下面的压缩包 |
8 | 三轴五档变速器.pdf | 已完成并打包 | 请下载最下面的压缩包 |
所有文件 | 可下载 | ||
外部工具 | 在线DWG(CAD文件)转PDF工具 |