主页 推广 咨询

20250625-04-二轴五档

发布时间:2025-06-26 02:58
预览信息
详细说明

20250625-04-二轴五档 说+2零件 4403701406462886149, 2025款长安cs55plus手动变速器的课设, 车型链接https://www.autohome.com.cn/spec/53591/#pvareaid=6861994

文件列表
# 名称 状态 操作
1 PDF预览文件 可下载 PDF文件1
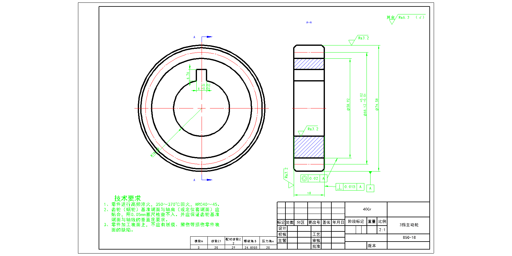
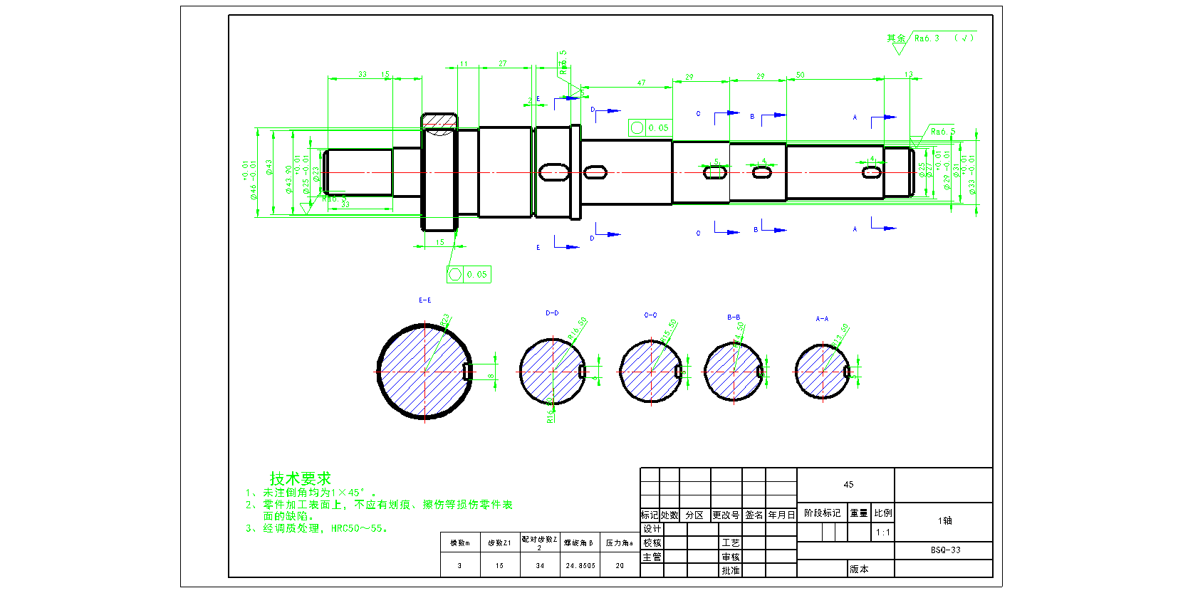
2 1轴.DWG 已完成并打包 请下载最下面的压缩包
3 3挡主动轮.DWG 已完成并打包 请下载最下面的压缩包
4 二轴五档变速器 (1).docx 已完成并打包 请下载最下面的压缩包
所有文件 可下载
输入提取码 或支付(30.0元) 购买
外部工具 在线DWG(CAD文件)转PDF工具