奕帆工业
推广享折扣赚佣金
首页
全部商品
常见问题
注册/登录
主页
顶部
推广
咨询
20250618-17-千斤顶
发布时间:2025-06-20 06:31
预览信息
详细说明
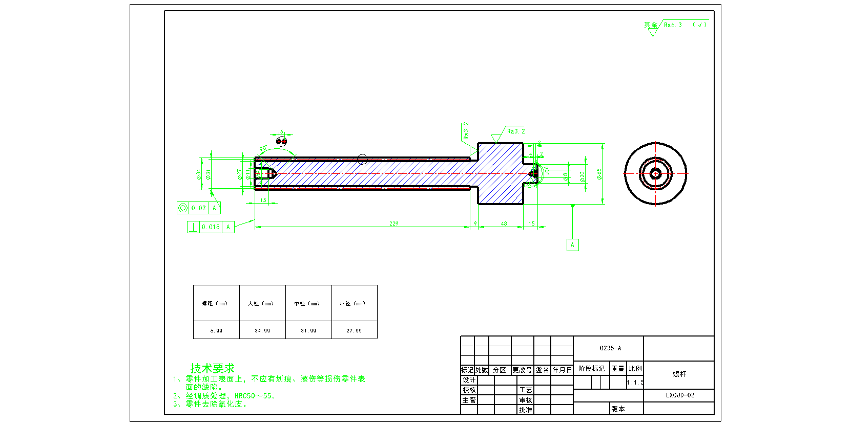
20250618-17-千斤顶 B5 说+装+2零件 零件底座和螺杆
文件列表
#
名称
状态
操作
1
PDF预览文件
可下载
PDF文件1
2
底座.DWG
已完成并打包
请下载最下面的压缩包
3
螺旋千斤顶.DWG
已完成并打包
请下载最下面的压缩包
4
螺杆.DWG
已完成并打包
请下载最下面的压缩包
5
说明书 (1).docx
已完成并打包
请下载最下面的压缩包
所有文件
可下载
输入提取码
或支付(30.0元)
购买
外部工具
在线DWG(CAD文件)转PDF工具