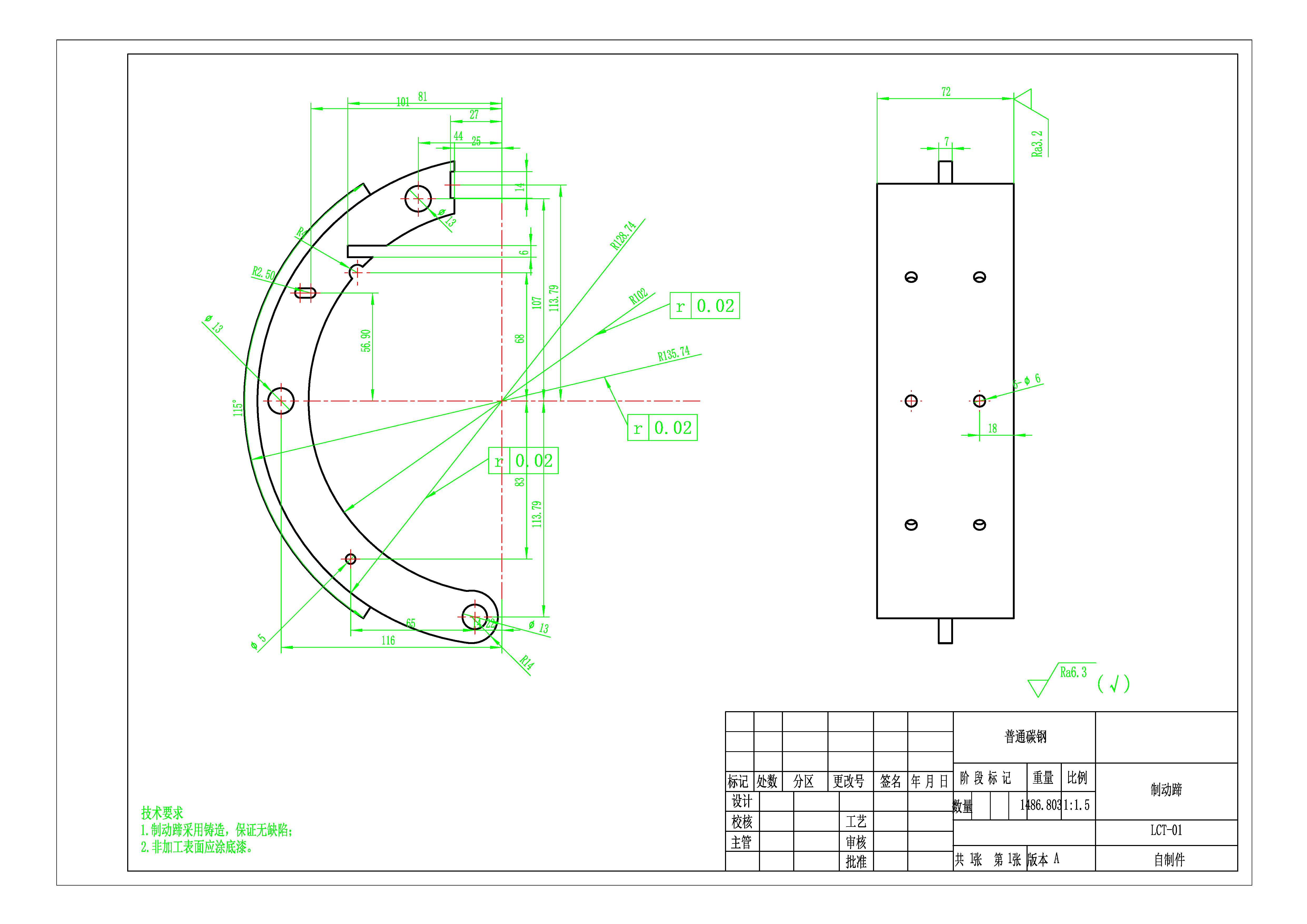
驱动形式:4×2(前置后驱);整车质量:1135kg(空载),2165kg(满载);质心高度:570mm(空载),550mm(满载);轴距:3060mm;最高车速:103km/h;轮胎:175R14LT-8PR;同步附着系数:0.75。制动鼓直径:284.48mm 制动蹄:摩擦衬片宽度b=72 包角β=95° β0=42.5° a=114 k=29 采用由定位销定位的一个自由度的非平衡式的领从蹄式制动器。 能用啥数据用啥 装配图 A0 零件(制动蹄)A3
| # | 名称 | 状态 | 操作 |
|---|---|---|---|
| 1 | 制动蹄.DWG | 已完成并打包 | 请下载最下面的压缩包 |
| 2 | 制动蹄.pdf | 已完成并打包 | 请下载最下面的压缩包 |
| 3 | 领从蹄鼓式制动器.DWG | 已完成并打包 | 请下载最下面的压缩包 |
| 4 | 领从蹄鼓式制动器.pdf | 已完成并打包 | 请下载最下面的压缩包 |
| 所有文件 | 可下载 | ||
| 外部工具 | 在线DWG(CAD文件)转PDF工具 |