主页 推广 咨询

新建文本文档

发布时间:2025-04-19 07:50
预览信息
详细说明

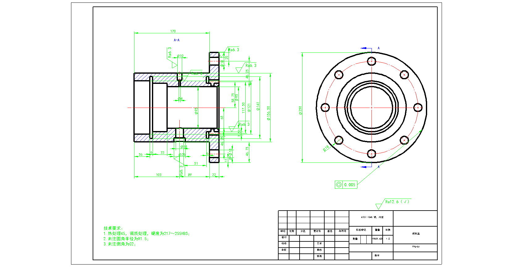
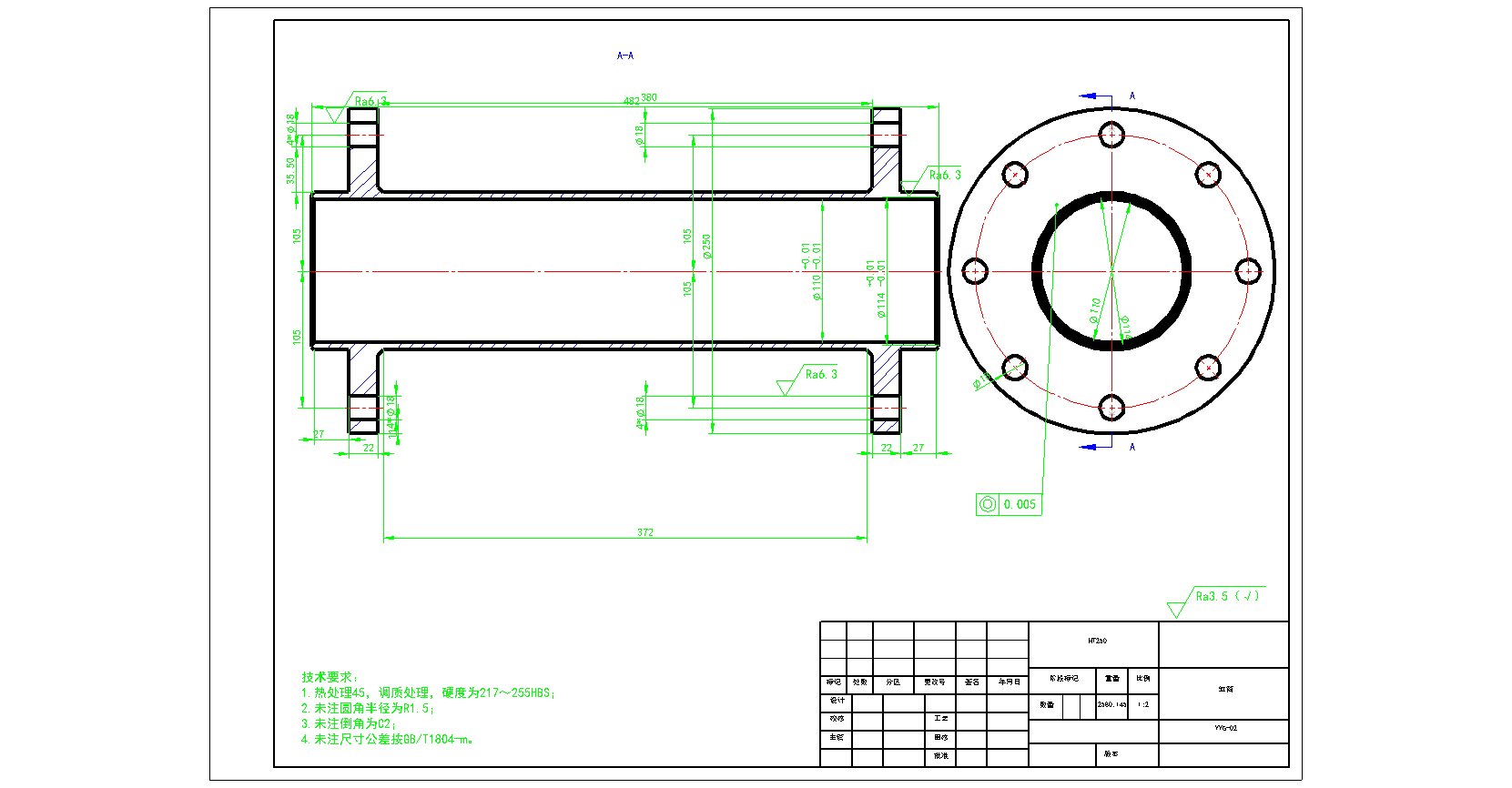
202500415-19-液压+手绘(原订单202500401-07-液压付清) 在做3零件,缸筒(A3),活塞(A3),缸盖(A3) 这些要手绘 装配图(A1),原理图(A3),缸筒(A3),活塞(A3),缸盖(A3)

文件列表
# 名称 状态 操作
1 前缸盖.DWG 已完成并打包 请下载最下面的压缩包
2 活塞.DWG 已完成并打包 请下载最下面的压缩包
3 缸筒.DWG 已完成并打包 请下载最下面的压缩包
所有文件 可下载
输入提取码 或支付(30.0元) 购买
外部工具 在线DWG(CAD文件)转PDF工具